Category Article
¹èÀü°èÅë ´Ü¼±Áö¶ô»ç°í¿¡ ÀÇÇÑ Àü¾ÐÀúÇÏ Àú°¨¹æ¹ý¿¡ °üÇÑ ¿¬±¸
2006-05-01

Çѱ¹±â¼ú±³À°´ëÇб³ Á¤º¸±â¼ú°øÇкΠÀü±â°øÇаú_¿À¿ëÅà ±³¼ö, ±èÁø¼º ¿¬±¸¿ø¼­ ·ÐÃÖ±Ù µé¾î¼­ ÄÄÇ»ÅÍ µî ¸¶ÀÌÅ©·ÎÇÁ·Î¼¼¼­°¡ ÀåÂøµÈ Àü·ÂÀüÀÚÀåºñ³ª ±â±âµéÀÌ »ê¾÷°øÁ¤À̳ª ÀÏ¹Ý °¡Á¤¿¡ °è¼ÓÀûÀ¸·Î ¼³Ä¡°¡ µÇ°í Àִ ȯ°æ¿¡¼­ Àü¾ÐÀúÇÏ´Â »ó´çÈ÷ Áß¿äÇÑ Àü·ÂǰÁúÀÇ ÇÑ ¿ä¼Ò·Î ´ëµÎµÇ°í ÀÖ´Ù. Àü¾ÐÀúÇÏ´Â <±×¸² 1.1>ó·³ ºÎÇÏ¿¡ °ø±ÞµÇ´Â Àü¾ÐÀÇ Å©±â°¡ ¾î´À ½Ã°£ µ¿¾È ÀϽÃÀûÀ¸·Î °¨¼ÒÇÏ´Â Çö»óÀ¸·Î ÁÖ·Î °èÅë»óÀÇ ´Ü¶ôȸ·Î »ç°í¿¡ ÀÇÇØ ¹ß»ýÇÏ¸ç ´ë¿ë·® ¸ðÅÍÀÇ ±âµ¿, ºÎÇÏÀÇ °©ÀÛ½º·± Áõ°¡ ±×¸®°í Äܵ§¼­ ¹ðÅ©ÀÇ ÅõÀÔ °°Àº ½ºÀ§Äª ÀÛ¿ë¿¡ ÀÇÇØ¼­µµ ¹ß»ýÇÑ´Ù.

Àü¾ÐÀúÇÏÀÇ µÎ °¡Áö ÁÖ¿äÇÑ Æ¯¼ºÀ¸·Î´Â Å©±â¿Í Áö¼Ó½Ã°£À» µé ¼ö Àִµ¥ Å©±â´Â °íÀå¿¡ ÀÇÇØ ¹ß»ýÇÏ´Â ½ÇÈ¿ Àü¾Ð °ªÀ̰í Áö¼Ó½Ã°£Àº Àü¾ÐÀÌ ³·¾ÆÁö´Â ½Ã°£ÀÌ´Ù. IEEE Standard Coordinating Committee 22¿¡ ÀÇÇϸé Å©±â°¡ °øÄªÀü¾ÐÀÇ 0.1~0.9[pu]À̰í Áö¼Ó½Ã°£ÀÌ 8.0[ms]~1[min]ÀÏ °æ¿ì¸¦ Àü¾ÐÀúÇÏ Çö»óÀ̶ó Á¤ÀÇÇϰí ÀÖ´Ù. ¹®Á¦´Â Àü¾ÐÀúÇϰ¡ PLC, CNC, ÄÄÇ»ÅÍ, ±âµ¿±â µî ¼³ºñ¿¡ ¼³Ä¡µÈ Àü¾Ð¿Ü¶õ¿¡ ¹Î°¨ÇÑ Àåºñµé¿¡°Ô ¿µÇâÀ» ÁÖ¾úÀ» °æ¿ì »ê¾÷¼³ºñ ¶Ç´Â ´Ù¸¥ ƯÁ¤ÇÑ Àåºñ¸¦ ¿Àµ¿ÀÛ ½ÃŰ´Â µî Àüü ¼³ºñ ½Ã½ºÅÛÀÇ µ¿ÀÛ ½Å·Úµµ¸¦ °¨¼Ò½ÃÄÑ ¸·´ëÇÑ °æÁ¦Àû ¼Õ½ÇÀ» ÃÊ·¡ÇÏ°Ô µÈ´Ù´Â °ÍÀÌ´Ù. µû¶ó¼­ ÃÖ±Ù µé¾î ¹èÀü°èÅë»ó¿¡¼­ Àü¾ÐÀúÇÏÀÇ Æ¯¼ºÀ» ºÐ¼®ÇÏ°í ±×¿¡ µû¸¥ Àü¾ÐÀúÇϸ¦ Àú°¨½ÃŰ´Â ¹æ¹ýÀÌ °èÅëÀÇ ½Å·Úµµ¸¦ ³ôÀ̴µ¥ Áß¿äÇÑ ¹®Á¦·Î ´Ù·ç¾îÁö±â ½ÃÀÛÇß´Ù. Àü¾ÐÀúÇϸ¦ ¿ÏÈ­½ÃŲ´Ù´Â °ÍÀº °á±¹ Àü¾ÐÀúÇÏ Æ¯¼ºÀÎ Àü¾ÐÅ©±â¿Í Áö¼Ó½Ã°£À» Á¶ÀýÇÏ¿© ºÎÇϼ³ºñ³ª Àåºñ°¡ ¿Àµ¿ÀÛÀ» ÀÏÀ¸Å°Áö ¾Êµµ·Ï ¾ÈÁ¤µÈ Àü¾ÐÀ» °ø±ÞÇØÁشٴ °ÍÀÌ´Ù. Àü¾ÐÀúÇϸ¦ ¿ÏÈ­½ÃŰ´Â ¹æ¹ýÀ¸·Î´Â ¿©·¯ °¡Áö ÇüŰ¡ ÀÖÁö¸¸ º» ¿¬±¸¿¡¼­´Â Ãæ°Ý ¿ÏÈ­Àåºñ¸¦ ÅõÀÔÇÏ¿© Àü¾ÐÀúÇϸ¦ Àú°¨½ÃŰ´Â ¹æ¹ý¿¡ ÃÊÁ¡À» µÎ¾úÀ¸¸ç ƯÈ÷ L-C Á÷·Äȸ·Î¸¦ ÀÌ¿ëÇÑ °íÀåÀü·ùÁ¦Çѱ⸦ Ư¼ºÈ­ÇÏ¿© ¹èÀü°èÅë¿¡¼­ÀÇ Àû¿ë °¡´É¼ºÀ» ¸ðÀǽÇÇèÀ» ÅëÇØ °ËÁõÇÏ¿´´Ù. °íÀåÀü·ùÁ¦ÇѱⰡ ÅõÀÔµÈ °æ¿ì¿Í ±×·¸Áö ¾ÊÀº °æ¿ì¸¦ ºñ±³ÇÏ¿© Àü¾ÐÀúÇÏ ¿ÏÈ­¼º´ÉÀ» ÇØ¼®ÇÏ¿´°í ºñ±³¹æ¹ýÀº °¡Àå ÈçÇÏ°Ô ¹ß»ýÇϰí ÀÖ´Â ´Ü¼±Áö¶ô»ç°í¸¦ Àû¿ëÇÑ ÈÄÀÇ Àü¾ÐÀÇ Å©±â¸¦ °¡Áö°í ºÐ¼®ÇÏ¿´´Ù. Ãæ°Ý¿ÏÈ­Àåºñ ÀÎÅÍÆäÀ̽º Àåºñ ÀÎÅÍÆäÀ̽º¿¡ ÀÇÇÑ ¹æ¹ýÀº <±×¸² 2.1>¿¡¼­Ã³·³ ¹Î°¨ÇÑ ºÎÇϸ¦ º¸È£Çϱâ À§ÇÏ¿© Àü¾Ð¿Ü¶õ¿¡ ´ëóÇϱâ À§ÇÑ ¿©·¯ °¡Áö Ãæ°Ý¿ÏÈ­Àåºñ¸¦ ¼³Ä¡ÇÏ´Â °ÍÀÌ´Ù.

CVT(Constant Voltage Transformer)´Â ¼³Ä¡°¡ ¿ëÀÌÇϰí ÀÀ´ä¼Óµµ°¡ ºü¸£Áö¸¸ ´ë¿ë·®ÀÇ °èÅëÀ» º¸È£Çϱ⿡´Â ºñ¿ëÀÌ ¸¹ÀÌ Ãß°¡µÇ¸ç ƯÈ÷ Ãâ·ÂÀü¾ÐÀÌ °íÁ¤µÇ±â ¶§¹®¿¡ Å« À¯ÀÔÀü·ù°¡ È带 °æ¿ì Àü¾Ð¿ÖÇüÀÌ ¹ß»ýÇÏ¿© È¿À²ÀÌ Å©°Ô ¶³¾îÁö´Â ´ÜÁ¡ ¶§¹®¿¡ ±Ù·¡¿¡´Â UPS(Uninterrupted Power Supply)¿¡ ÀÇÇØ ´ëüµÇ°í ÀÖ´Ù. UPS´Â Á¤Àü ½Ã¿¡µµ ºÎÇϸ¦ º¸È£ÇÒ ¼ö ÀÖ´Ù´Â °ÍÀÌ °¡Àå Å« ÀåÁ¡ÀÌÁö¸¸ ÃàÀüÁö »ç¿ë¿¡ ÀÇÇÑ À¯Áöº¸¼ö°¡ ¾î·Æ°í ´ë¿ë·® º¸È£ ½Ã ÃàÀüÁö ºñ¿ëÀÌ »ó´çÈ÷ Áõ°¡ÇÏ°Ô µÇ´Â °æÁ¦ÀûÀÎ ¹®Á¦Á¡À» ¾È°í ÀÖ´Ù. µû¶ó¼­ UPS´Â Àú Àü·Â ºÎÇϼ³ºñº¸È£¿¡ ÀûÇÕÇÑ ÀåÄ¡À̸ç Å« ¿ë·®ÀÇ ºÎÇϸ¦ Á» ´õ ÀûÀº ºñ¿ëÀ¸·Î º¸È£Çϱâ À§ÇÑ ¹æ¹ýÀÌ ÇÊ¿äÇÏ°Ô µÇ¾ú´Âµ¥ ±× Áß Çϳª°¡ DVR(Dynamic Voltage Restorer)ÀÌ´Ù. DVRÀº ´ë¿ë·®ÀÇ ºÎÇÏ¿¡ ´ëÇØ¼­ Àü¾ÐÀúÇÏ¿¡ ´ëóÇÏ´Â ¼º´ÉÀÌ ¿ì¼öÇÏÁö¸¸ º¯¾Ð±â, ÄÁ¹öÅÍ, ºÎÇÏ¿ÍÀÇ Á÷·Ä¿¬°á ±×¸®°í °¢Á¾ º¸Á¶ÀåÄ¡µé¿¡ ÀÇÇÑ ¼Õ½ÇÀÌ ¸¹ÀÌ ¹ß»ýÇÏ¿© ÀüüÀûÀ¸·Î È¿À²ÀÌ ¶³¾îÁö´Â ´ÜÁ¡ÀÌ ÀÖ´Ù. ¶ÇÇÑ ÇöóÀÌÈÙ°ú °°Àº ¿¡³ÊÁö ÀúÀåÀåÄ¡µéÀº Á¤Àü ½Ã¿¡µµ ¾ÈÁ¤ÀûÀ¸·Î ºÎÇϸ¦ º¸È£ÇÒ ¼ö ÀÖÁö¸¸ Á¦¾î¸¦ À§ÇÑ ºÎ°¡ÀûÀÎ ÀåÄ¡µé°ú °ø°£ÀÌ ¹ß»ýÇÏ¿© À¯Áöº¸¼ö ºñ¿ë°ú Àü·Â¼Õ½ÇÀÌ Áõ°¡ÇÑ´Ù´Â ´ÜÁ¡ÀÌ ÀÖ´Ù.ÀÌ ±Û¿¡¼­ ´Ù·ç°íÀÚÇÏ´Â °íÀåÀü·ùÁ¦Çѱâ´Â ±×·¯ÇÑ ´ÜÁ¡µéÀ» ´ëºÎºÐ ÇØ¼Ò½ÃÄÑÁØ´Ù. ´ÙÀ½ Àå¿¡¼­ º¸ÀÌ´Â °Íó·³ ȸ·Î°¡ L-C Á÷·Ä°øÁøÀ» ÀÌ¿ëÇϱ⠶§¹®¿¡ ±¸Á¶°¡ ¾ÆÁÖ °£°áÇÏ¿© ¼³Ä¡°¡ ¿ëÀÌÇϰí ÀÀ´ä¼Óµµ°¡ ºü¸£´Ù´Â °ÍÀÌ´Ù. ¶ÇÇÑ Ä¿ÆÐ½ÃÅÍ¿¡ º´·ÄÇüÅÂÀÇ Ãæ°ÝÈí¼öÀåÄ¡(Surge Arrestor)¸¦ ¿¬°áÇÔÀ¸·Î¼­ ´Ù¸¥ Á¦¾î½Ã½ºÅÛÀ̳ª Àü·ÂÀüÀÚÀåÄ¡¸¦ »ç¿ëÇÏ´Â ¹®Á¦Á¡ÀÌ ¹ß»ýÇÏÁö ¾Ê´Â´Ù´Â °ÍÀÌ´Ù. Áï, À¯Áöº¸¼ö°¡ °£°áÇÏ¿© ´Ù¸¥ Àåºñ¿¡ ºñÇØ ºñ¿ëÀÌ ¸¹ÀÌ ¼Ò¿äµÇÁö ¾ÊÀ¸¸ç ´ë¿ë·® ºÎÇÏÀÇ Àü¾ÐÀúÇϵµ È¿°úÀûÀ¸·Î ´ëóÇÔÀ» »ç·Ê¿¬±¸¸¦ ÅëÇØ¼­ È®ÀÎÇÒ ¼ö ÀÖ¾ú´Ù.ÀÌ·¯ÇÑ °íÁ¤Àü·ùÁ¦ÇÑ ¹æ¹ýÀº ´ë·« 15³â ÀüºÎÅÍ ´ëµÎµÇ±â ½ÃÀÛÇÏ¿© ´Ù¾çÇÑ ÇüÅÂÀÇ FCL(Fault Current Limiter)ÀÀ¿ë ȸ·ÎµéÀÌ ÃÖ±Ù µé¾î ¸¹ÀÌ ¼Ò°³µÇ°í ÀÖ´Ù.¿©±â¿¡¼­´Â ±âÁ¸¿¡ ¿¬±¸µÇ¾ú´ø ¹æ¹ý Áß¿¡¼­ MOV(Metal Oxide Varistor)´ë½Å Surge Arrestor¸¦ »ç¿ëÇÏ¿© Ä¿ÆÐ½ÃÅÍ º¸È£ ÀåÄ¡ÀÇ ¼±ÅÃÀÇ ÆøÀ» ³ÐÇûÀ¸¸ç 3»ó ´Ü¶ôÀÎ ÆòÇü»ç°í¿¡ ±¹ÇÑÇß´ø °íÀåÀ» ºÒÆòÇü »ç°í¿¡ ÀÇÇÑ °íÀåÀ¸·Î È®´ëÇØ¼®ÇÏ¿´´Ù. ¶ÇÇÑ FCL¸¦ ±¸¼ºÇÏ´Â L, C ±×¸®°í Surge ArrestorÀÇ º¯¼ö °ªµéÀ» ´Ù¾çÇÏ°Ô Àû¿ëÇÏ¿© ±× °á°ú¸¦ °ËÅäÇÏ¿´´Ù. FCLȸ·Î Ư¼º°ú Àü¾Ðº¸»ó ¿ø¸® Á¦¾ÈµÈ FCL(Fault Current Limiter)ÀÇ ±âº»¿ø¸®´Â <±×¸² 3.1>°ú °°´Ù. °èÅëÁ֯ļö¿¡ µ¿À۵Ǵ L-C Á÷·Ä°øÁøÈ¸·Î¿¡ Å« ¿ë·®ÀÇ ¿¡³ÊÁö¸¦ Èí¼öÇÒ ¼ö ÀÖµµ·Ï ¼³°èµÈ Surge Arrestor°¡ Ä¿ÆÐ½ÃÅÍ¿Í º´·Ä·Î ¿¬°áµÇ¾î Ä¿ÆÐ½ÃÅ͸¦ º¸È£ÇÒ ¼ö ÀÖ´Ù.

1. FCLȸ·ÎÀÇ Æ¯¼º <±×¸² 3.1>ÀÇ ºÎÇÏ´Ü¿¡¼­ ´Ü¶ô»ç°í°¡ ¹ß»ýÇßÀ» ¶§ FCL Á÷·Ä L-Cȸ·Î¿¡ ÀÇÇÑ ´Ü¶ôÀü·ù¸¦ ¼öÇÐÀûÀ¸·Î °è»êÇÒ ¼ö ÀÖ´Ù. Àü¿ø´ÜÀÚ¿¡¼­ ¹Ù¶óº» °èÅë µî°¡ÀÓÇÇ´ø½º¿Í FCLÀÇ ÀúÇ×À» 0ÀÌ¶ó °¡Á¤ÇÑ´Ù. ¶ÇÇÑ Àü¿øÀü¾ÐÀ», v(t)=Vpsin(wt+¥ã)¶ó Çϰí,y¢©(t)=i(t), w2=1/LC À̸é <±×¸² 3.1>ÀÇ ¸ðµ¨½ÄÀº ´ÙÀ½°ú °°´Ù. À§ ½ÄÀÇ ¹ÌºÐ¹æÁ¤½Ä ÇØ´Â ´ÙÀ½°ú °°´Ù.¶ÇÇÑ ¼±·Î ÀÓÇÇ´ø½º¿Í ºÎÇÏ ÀÓÇÇ´ø½ºÀÇ ÇÕÀ» Z¡Ð¨ª¶ó Çϸé Á¤¼ö °ªµéÀº ´ÙÀ½°ú °°´Ù.ÀÌÁ¦ ½Ä (3.2)À» Àü·ùÀÇ ÇÔ¼ö·Î ´Ù½Ã Ç¥ÇöÇÏ¸é ´ÙÀ½°ú °°´Ù. ¶ÇÇÑ ÀδöÅÍ¿Í Ä¿ÆÐ½ÃÅÍ ¾ç´ÜÀÇ Àü¾ÐÀº °øÁøÁ¶°ÇÀ» °í·ÁÇÏ¸é ´ÙÀ½°ú °°´Ù.2. FCLÀÇ Àü¾Ðº¸»ó ¿ø¸® FCLÀÌ ¾ø´Â °æ¿ì ¼±·Î¿¡ ´Ü¶ô»ç°í°¡ ¹ß»ýÇϸé <±×¸² 3.2>¿¡¼­Ã³·³ °íÀå¼±·ÎÀü·ù´Â °íÀåÃʱâºÎÅÍ Ã·µÎ°ªÀ» °¡Áö°í Áõ°¡¸¦ ÇÏ¸ç ±×¿¡ µû¶ó ¹ö½ºÀÇ Àü¾Ðµµ °¨¼ÒÇÏ°Ô µÈ´Ù.

±×·¯³ª FCLÀÌ ÀÎÅÍÆäÀ̽º µÇ¸é ½Ä(3.4)¿¡ ÀÇÇØ Ç¥ÇöµÇ´Â L-C Ư¼º¿¡ ÀÇÇØ¼­ °íÀåÀü·ù´Â <±×¸² 3.3>ÀÇ (a)¿¡¼­Ã³·³ °íÀå ÃʱâºÎÅÍ Ã·µÎ°ªÀ» °¡ÁöÁö ¾Ê°í Á¡Â÷ÀûÀ¸·Î Áõ°¡ÇÏ¿© ÷µÎ°ª¿¡ µµ´ÞÇÏ´Â ÇüŸ¦ Áö´Ï°Ô µÇ´Âµ¥ ÀÌ·¯ÇÑ FCLÀÇ Æ¯¼ºÀÌ ºÎÇÏ¿¡ À¯¿¬ÇÑ Áï, ±×¸® ½É°¢ÇÏÁö ¾ÊÀº ´Ü¶ôȸ·Î °úµµÇö»óÀ» °áÁ¤ÁöÀ¸¸ç ¹èÀü°èÅë¿¡¼­ Àü¾ÐÀúÇÏ Çö»óÀ» °¨¼Ò½Ã۴µ¥ ¸Å¿ì À¯¿ëÇÏ°Ô Àû¿ëµÉ ¼ö ÀÖ´Ù. À̰ÍÀº <±×¸² 3.3>ÀÇ (b)¿¡¼­ ¸íÈ®È÷ ¾Ë ¼ö Àִµ¥ ±×¸² (a)ÀÇ Á¦ÇÑµÈ °íÀåÀü·ù¿¡ ÀÇÇØ¼­ ¹ö½ºÀü¾ÐÀÇ °¨¼ÒÇö»óÀÌ ¹ß»ýÇÏÁö ¾Ê°í µû¶ó¼­ ºÎÇÏ¿¡´Â Àü¾ÐÀúÇÏ Çö»óÀÌ °ÅÀÇ ¹ß»ýÇÏÁö ¾Ê°Ô µÈ´Ù. ¶ÇÇÑ ½Ä (3.5)À¸·Î Ç¥ÇöµÈ FCLÀÇ ÀδöÅÍ¿Í Ä¿ÆÐ½ÃÅÍ ¾ç´ÜÀÇ Àü¾Ðµµ ±×¸² (c)¿Í (d)ó·³ Á¦ÇÑµÈ °íÀåÀü·ù¿¡ ÀÇÇØ¼­ Á¡Â÷ÀûÀ¸·Î Áõ°¡ÇÑ´Ù.

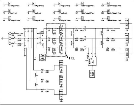
»ç·Ê¿¬±¸1. ¸ðÀǽÇÇè °èÅë ±¸¼ºµµ ¹× ½ÇÇè µ¥ÀÌÅÍ »ç·Ê¿¬±¸¸¦ À§ÇÑ ¸ðÀǽÇÇè °èÅë ±¸¼ºµµ´Â <±×¸² 4.1>°ú °°°í <±×¸² 4.2>´Â ÄÄÇ»ÅÍ ½Ã¹Ä·¹À̼ÇÀ» À§ÇÑ EMTDC/ PSCAD ÇÁ·Î±×·¥ÀÇ ¹èÀü°èÅë ¸ðµ¨ µµ¸éÀÌ´Ù.¶ÇÇÑ Àû¿ëµÈ ÁÖ¿äÇÑ °èÅëÀÇ µ¥ÀÌÅÍ´Â ´ÙÀ½°ú °°´Ù.

1) 22.9kV, 60Hz, 2400MVA °íÀå¿ë·®ÀÇ ¸ÞÀÎ ¹ö½º2) °¢°¢ 5MVA, 10kmÀÇ ¼±·Î(0.224¥Ø/km, 1.13mH/km, 10.3nF/km)3) 4.4MW¿Í 2.3MVAR(PF0.88)ÀÇ ¼±·Î ºÎÇÏ4) FCL(R=1¥Ø, L=158mH, C=44.58uF, Surge Arrestor Protection level=30kV) 5) °íÀå½Ã°£ : 200ms6) °íÀåÀ§Ä¡ : ºÎ½º¹Ù¿¡¼­ 1km ¶³¾îÁø °Å¸®ÀÇ ¼±·Î 1 7) °íÀåÀ¯Çü : 1¼± Áö¶ô»ç°í 8) °íÀå ÀÓÇÇ´ø½º : 0.01¥Ø9) Â÷´Ü±â ÅõÀÔ(Close) ÀÓÇÇ´ø½º : 0.1¥Ø2. ¸ðÀǽÇÇè °á°ú ¸ðÀǽÇÇèÀº °¡Àå ÈçÈ÷ ¹ß»ýÇÏ´Â 1¼± Áö¶ô»ç°í¸¦ °í·ÁÇÏ¿´À¸¸ç »ç°í ¹ß»ý½Ã FCLÀÌ ¾ø´Â °æ¿ì¿Í ÀÖ´Â °æ¿ìÀÇ ´Ü¶ô °íÀå Àü·ù¿Í ¹ö½º Àü¾ÐÀÇ ÇüŸ¦ ºñ±³ÇÏ´Â °Í¿¡ ÃÊÁ¡À» µÎ¾ú´Ù. Áï, ºÒÆòÇü»ç°í°¡ ¹ß»ýÇÏ´õ¶óµµ FCLÀÌ °íÀåÀü·ù¸¦ Á¦ÇÑÇÏ¿© ¹ö½ºÀÇ Àü¾ÐÀ» ¾ÈÁ¤ÀûÀ¸·Î À¯Áö½ÃÄÑÁÖ´Â ±â´ÉÀÇ °ËÁõÀÌ ¸ðÀǽÇÇèÀÇ ¸ñÇ¥¶ó ÇÒ ¼ö ÀÖ´Ù.

<±×¸² 4.3 (a)>Àº ¼±·Î 1ÀÇ 1kmÁöÁ¡¿¡¼­ 1¼±(a»ó) Áö¶ô»ç°í°¡ ¹ß»ýÇßÀ» ¶§ FCLÀÌ ¾ø´Â °æ¿ìÀÇ °íÀå ¼±·ÎÀü·ù¸¦ ³ªÅ¸³½´Ù. °íÀå½Ã°£ µ¿¾È¿¡ °ÇÀü»óÀÎ b¿Í c»ó(¾à 180A)°ú´Â ´Þ¸® °íÀåÀÎ a»óÀÇ Àü·ù´Â ¾à 8KAÀÇ °íÀåÀü·ù°¡ ¹ß»ýÇÔÀ» ¾Ë ¼ö ÀÖ´Ù. ±×¿¡ µû¶ó »ó Àü¾Ð ¶ÇÇÑ <±×¸² 4.3(b)>¿¡¼­Ã³·³ Á¤°ÝÀü¾Ðº¸´Ù 75%Á¤µµ·Î °¨¼ÒÇÏ¿© ºÎÇϹö½º¿¡ ½É°¢ÇÑ Àü¾ÐÀúÇÏ Çö»óÀ» ÀÏÀ¸Å°°í ÀÖÀ½À» ÁüÀÛÇÒ ¼ö ÀÖ´Ù. <±×¸² 4.3(c)>Àº ¼±°£Àü¾Ð ÆÄÇüÀ» ³ªÅ¸³ª´Âµ¥ °ÇÀü»óÀÎ b¿Í cÀÇ ¼±°£Àü¾ÐÀº Á¤°ÝÀü¾ÐÀ¸·Î À¯ÁöµÇ°í ÀÖÁö¸¸ a-b, a-bÀÇ ¼±°£Àü¾ÐÀº ¾à 35% Á¤µµ °¨¼ÒÇÔÀ» È®ÀÎÇÒ ¼ö ÀÖ´Ù. <±×¸² 4.4 (a)>´Â FCL ÀÎÅÍÆäÀ̽º¿¡ ÀÇÇÑ Àü·ùÆÄÇüÀ» ³ªÅ¸³½´Ù. °íÀå»ó aÀÇ °íÀåÀü·ù°¡ 8kA¿¡¼­ 600A Á¤µµ·Î Á¦ÇѵǾúÀ½À» º¼ ¼ö ÀÖ´Ù. <±×¸² 4.4(b)¿Í (c)>´Â °¢°¢ »óÀü¾Ð°ú ¼±°£Àü¾Ð ÆÄÇüÀ» ³ªÅ¸³»´Âµ¥ °íÀåÀÌ Àû¿ëµÈ 200ms µ¿¾È¿¡ Àü¾ÐÀúÇÏ Çö»ó ¾øÀÌ Àü¾ÐÀÌ ¾ÈÁ¤ÇÏ°Ô À¯ÁöµÇ°í ÀÖÀ½À» È®ÀÎÇÒ ¼ö ÀÖ´Ù. ¶ÇÇÑ Àü¾ÐÀúÇϸ¦ Àú°¨½ÃŰ´Â FCLÀÇ ¼ººÐ Áß L°ú C´Â °øÁøÁ¶°Ç¿¡ ¸Â°Ô ¹«ÇÑÇÑ ¸®¾×ÅϽº °ªÀÌ °¡´ÉÇϸç <±×¸² 4.5>¿¡¼­Ã³·³ ¸®¾×ÅϽº°¡ Ŭ¼ö·Ï °íÀåÀü·ù Á¦ÇÑÈ¿°ú´Â Áõ°¡ÇÏ¸ç ±×¸¸Å­ ¶Ç ´Ù¸¥ °úµµÇö»óÀ» Ãà¼Ò½ÃÄÑÁֱ⠶§¹®¿¡ ¸®¾×ÅϽº °ªÀÌ Å¬¼ö·Ï ÁÁ´Ù. ±×·¯³ª L°ªÀÌ ³Ê¹« Ä¿Áö¸é ¹èÀü ¼Õ½ÇÀÌ Áõ°¡ÇÏ°Ô µÇ°í C°ªÀÌ ³Ê¹« ÀÛ°Ô µÇ¸é ArrestorÀÇ º¸È£¿ë·® °ªÀ̳ª ¸®¾×ÅÍ¿Í Ä¿ÆÐ½ÃÅÍÀÇ °øÄªÀü¾ÐÀÌ ÀÛ¾ÆÁú »Ó¸¸ ¾Æ´Ï¶ó ´ë¿ë·® ºÎÇϸðÅÍÀÇ ±âµ¿½Ã¿¡ ö°øÁøÀÌ ¹ß»ýÇÒ ¼ö ÀÖ´Ù. µû¶ó¼­ L°ú C·Î ÀÌ·ç¾îÁö´Â ÀÌ·¯ÇÑ FCLÀÇ ±¸Á¶°¡ °èÅë»ó¿¡¼­ ´Ù¸¥ ¿µÇâÀ» ÁÖÁö ¾ÊÀº ä Àü¾ÐÀúÇϸ¦ Àú°¨½Ã۱â À§Çؼ­´Â ÀûÀýÇÑ ¹üÀ§³»ÀÇ L°ú C°ªÀ» ¼±ÅÃÇÏ´Â °ÍÀÌ Áß¿äÇÑ ¹®Á¦¶ó ÇÒ ¼ö ÀÖ´Ù. °á ·ÐÃÖ±ÙÀÇ Àü·Â°èÅë ȯ°æ¿¡¼­ Àü·ÂǰÁú °³¼±ÀÇ ¹®Á¦´Â ¸Å¿ì Áß¿äÇÑ °ü½ÉÁßÀÇ ÇϳªÀÌ´Ù. º» ¿¬±¸¿¡¼­ Á¦¾ÈµÈ °íÀåÀü·ù Á¦ÇÑ ¹æ¹ý¿¡ ÀÇÇÑ Àü·ÂǰÁú °³¼± ¹æ¾ÈÀº ¹èÀü°èÅë¿¡¼­ ¹ß»ýÇÏ´Â Àü¾ÐÀúÇÏ ¹®Á¦¸¦ Á¦¾î½Ã½ºÅÛÀ̳ª ´Ù¸¥ Àü·ÂÀüÀÚ Àåºñ ¾øÀ̵µ ÇØ°á ÇÒ ¼ö ÀÖ´Â ÀåÁ¡À» °¡Áö°í ÀÖÀ¸¸ç ¼öÇàÇÑ ¸ðÀǽÇÇèÀ» ÅëÇØ¼­ ±× ¹æ¹ýÀ» Áõ¸íÇÏ¿´´Ù. Áï, ¹èÀü°èÅë¿¡¼­ ¹ß»ýÇÒ ¼ö ÀÖ´Â ºÒÆòÇü ´Ü¶ô»ç°í¿¡ ÀÇÇØ¼­ ºÎÇÏ ¸ð¼±¿¡ Àü¾Ð°­Çϰ¡ ¹ß»ýÇÏ´õ¶óµµ FCL ÀÎÅÍÆäÀ̽º¿¡ ÀÇÇØ¼­ Àü¾ÐÀÌ ¾ÈÁ¤ÀûÀ¸·Î º¹±¸µÊÀ» È®ÀÎÇÏ¿´´Ù. ÀÌ¿Í °°Àº °íÀåÀü·ùÁ¦ÇÑ¿¡ ÀÇÇÑ Àü¾ÐÀúÇÏ º¸»óÀº ÀûÀýÇÑ L-CÀÇ °øÁøÈ¿°ú¿Í Surge ArrestorÀÇ Æ¯¼ºÀ» ÀÌ¿ëÇÏ¿© ÀÌ·ç¾î Áú ¼ö ÀÖ¾úÀ¸¸ç FCLÀÇ ´Éµ¿ÀûÀÎ µ¿ÀÛ¿¡ ÀÇÇØ ´Ù¸¥ Á¦¾î³ª Á¡È£°¡ ÇÊ¿ä ¾ø¾î¼­ ±¸¼ºÀÌ °£´ÜÇÏ°í ±×·ÎÀÎÇØ UPS, DVR µî°ú °°Àº ´Ù¸¥ Àåºñ ÀÎÅÍÆäÀ̽º¿¡ ÀÇÇÑ ¹æ¹ýº¸´Ù °æÁ¦ÀûÀÎ È¿°ú°¡ Å©´Ù´Â °ÍÀ» Á÷°üÀûÀ¸·Îµµ ½±°Ô ¾Ë ¼ö ÀÖ´Ù. ±×·¯³ª ÀûÀýÇÑ L°ú CÀÇ °ªÀ» ¼±Á¤ÇÏ´Â ¹®Á¦¿¡ À־ ¸®¾×ÅϽº °ªÀ» Å©°Ô Çϱâ À§ÇÏ¿© ÀδöÅϽº¸¦ Áõ°¡ÇßÀ» °æ¿ì ¹èÀü ¼Õ½ÇÀÌ Áõ°¡ÇÒ ¼ö ÀÖ°í, ¹Ý´ë·Î C¸¦ Å©°Ô ÇßÀ» °æ¿ì Á÷·ÄÇüÅÂÀÇ ÀÌ·¯ÇÑ C¿¡ ÀÇÇØ¼­ ¸ðÅÍ ±âµ¿½Ã¿¡ ö°øÁøÀ̳ª Â÷µ¿±â °øÁøÀÌ ¹ß»ýÇÒ ¼ö ÀÖ´Â °¡´É¼ºÀÌ ÀÖ´Ù´Â °ÍÀº FCL ÀÎÅÍÆäÀ̽º ¹æ¹ýÀÇ ´ÜÁ¡ÀÌ ¾Æ´Ï¶ó ÇÒ ¼ö ¾øÀ» °ÍÀÌ´Ù. ¹°·Ð ¿©±â¿¡¼­´Â ¿©·¯ °¡Áö L, C°ªµéÀ» ÀûÀýÈ÷ º¯È­¸¦ ÁÖ¾î ¸ðÀǽÇÇèÀ» ÇÏ¿´À¸¸ç Àü¾ÐÀúÇÏ Çö»óÀ» °¨¼Ò½ÃŰ´Â °Í¿¡´Â ¸ðµÎ °°Àº °á°ú¸¦ °¡Á®´ÙÁشٴ °ÍÀ» ÀÌ¹Ì È®ÀÎÇÏ¿´Áö¸¸ º» ±Û¿¡¼­ È®ÀÎÇÏÁö ¾Ê¾Ò´ø Àü·Â¼Õ½ÇÀ̳ª °úµµÇö»ó °°Àº FCL ÅõÀÔ¿¡ ÀÇÇÑ ¶Ç ´Ù¸¥ ºÎÇÏÃøÀÇ ¿µÇâÀ» ºÐ¼®ÇÒ Çʿ䰡 ÀÖÀ¸¸ç FCL ÀÎÅÍÆäÀ̽º¿¡ ÀÇÇÑ ½ÇÁúÀûÀÎ °æÁ¦Àû È¿°ú¸¦ »êÃâÇÏ´Â °Íµµ ½ÇÁ¦ ÇöÀå¿¡ ´ëÇÑ Àû¿ë °¡´É¼ºÀ» °í·ÁÇÒ ¶§ Áß¿äÇÑ °úÁ¦¶ó ÇÒ ¼ö ÀÖÀ» °ÍÀÌ´Ù. ÀÌ·¯ÇÑ °ÍµéÀº º» ±ÛÀÌ Áö±Ý±îÁöÀÇ ºÐ¼®°ú °á°ú¸¦ Åä´ë·Î ¾ÕÀ¸·Î ¹èÀü°èÅë¿¡¼­ Àü¾ÐÀúÇÏ¿¡ ´ëÇÑ »õ·Î¿î Çö»óÀ» ¹ß°ßÇÏ°í ºÐ¼®ÇØ¾ß ÇÒ ÇâÈÄÀÇ ¿¬±¸°úÁ¦·Î ³²°Ü µÎ±â·Î ÇÑ´Ù.

Æ®À­ÅÍ ÆäÀ̽ººÏ

< Energy News >


Copyright(ÁÖ)Àü¿ì¹®È­»ç All rights reserved.