Áñ°Üã±â µî·Ï RSS 2.0
Àå¹Ù±¸´Ï ÁÖ¹®³»¿ª ·Î±×ÀΠȸ¿ø°¡ÀÔ ¾ÆÀ̵ð/ºñ¹Ð¹øÈ£ ã±â
home
°¡°ø¼±·Î¿ë Áö¼±°ø»ç ±â°èÈ­°ø¹ý
2007-02-02 ¿ÀÈÄ 9:37:00
´ë¿øÀü±â(ÁÖ)

°³¹ßµ¿±â ¹× ±âÁ¸±â¼úÀÇ ¹®Á¦Á¡

1. °³¹ßµ¿±â ¹× ¹è°æ ÇöÀç ¼Û¹èÀü ¹× Åë½Å¼³ºñÀÇ °¡°ø¼±·Î¿ë °ÇÁÖ°ø»ç ½Ã°ø±âÁØÀº ¿À°ÅÅ©·¹ÀÎÀ» ÀÌ¿ëÇÑ ±â°èÈ­°ø¹ýÀ¸·Î Àû¿ëÇϰí ÀÖÀ¸³ª, °ÇÁÖ°ø»ç¿Í º´ÇàµÇ´Â Áö¼±°ø»ç´Â Àη±¼Âø±âÁØÀ¸·Î ½Ã°øµÇµµ·Ï Çϰí ÀÖ´Ù.

±×·¯³ª ½Ã°øÇöÀå¿¡¼­´Â Áö¼±±Ù°¡ÀÇ ¸Å¼³À» À§ÇÑ ±¼ÂøÀÛ¾÷½Ã ÀηÂÀ¸·Î ±¼ÂøÇÏ¿© ½Ã°øÇØ¾ß ÇÔ¿¡µµ ºÒ±¸ÇÏ°í °ÇÁÖ°ø»ç¿¡ ÅõÀÔµÈ ¿À°ÅÅ©·¹ÀÎÀ» ÀÌ¿ëÇÏ¿© ±¼ÂøÇÏ°í ¼³°è±âÁØ¿¡ À§¹ÝµÇ´Â ½Ã°ø¹æ¹ýÀ¸·Î Áö¼±±Ù°¡¸¦ ¸Å¼³ÇÏ¿© Áö¼±¿¡ ÇÊ¿äÇÑ ¾ÈÀüÀ²ÀÌ È®º¸µÇÁö ¾Ê°í ÀÎÀåÇÏÁß¿¡ ¹Ì´ÞµÇ¾î ½Ã°øµÊÀ¸·Î½á °æ»çÀüÁÖ°¡ ¹ß»ýÇÏ¿© ÀüÁÖÁöÁö¿ë ±Ù°¡´Â ±Ù°¡·Î¼­ÀÇ ±â´ÉÀ» »ó½ÇÇÏ´Â ¹®Á¦Á¡ÀÌ ¹ß»ýÇϰí ÀÖ´Ù.ÀÌ·¯ÇÑ ¿øÀÎÀº ¿À°ÅÅ©·¹ÀÎÀ» ÀÌ¿ëÇÑ ±¼Âø ±¸µ¢ÀÌ´Â ¿øÅëÇüÀ̱⠶§¹®¿¡ ±âÁ¸ À广Çü ±Ù°¡¸¦ ¸Å¼³ÇÏ´Â Áö¼±½Ã°ø¿¡ ºÎÀûÇÕÇÏ¿© À广Çü ±Ù°¡¿Í Áö¼±·Ôµå¸¦ ±¸ºÎ·Á °áÇÕÇÏ°í ¼¼·Î·Î ¸Å¼³ÇÔÀ¸·Î½á ºÎ½Ç°ø»çÀÇ ¿øÀÎÀÌ µÇ°í, Àη±¼ÂøÀ¸·Î ½Ã°øÇÏ´Â °æ¿ì¿¡´Â ¸¹Àº Åä»ç°¡ ±¼ÂøµÇ¾î ÀÛ¾÷Àå ȯ°æÈѼÕÀ¸·Î ¹Î¿øÀÌ ºó¹ßÇϰí ÀÖÀ¸¸ç ±¼ÂøÁö¹ÝÀÇ ÀÀÁý·Â ¾àÈ­·Î ¸Å¼³µÈ Áö¼±±Ù°¡ÀÇ Àι߷ÂÀÌ ¾àÇØÁö´Â ¹®Á¦°¡ ÀÖ´Ù.

ÀÌ·¯ÇÑ ¹®Á¦Á¡À» ÇØ°áÇϱâ À§ÇÏ¿© ¿À°ÅÅ©·¹Àοë È®ÀåÇü ±¼ÂøÀ¯´ÏÆ®¿Í ¿øÇü Áö¼±±Ù°¡(43cm, 62cm) ¹× ¿À°ÅÅ©·¹ÀÎÀ» ÀÌ¿ëÇÑ °¡°ø¼±·Î¿ë Áö¼±°ø»ç ±â°èÈ­°ø¹ýÀ» °³¹ßÇÏ¿© Åä»ç ±¼Âø·®ÀÇ ÃÖ¼ÒÈ­, ÀÛ¾÷½Ã°£ ´ÜÃà, ½Ã°ø´É·üÇâ»ó, Àι߷ ¼º´É°­È­, ÀÛ¾÷ȯ°æ°³¼± µîÀ¸·Î °ø»ç¿ø°¡¸¦ Àý°¨ÇÏ°í ºÒ¹ý ºÎ½Ç°ø»ç ¹æÁö ¹× ½Ã°øÇ°ÁúÇâ»óÀ¸·Î ¸Å³â ¹Ýº¹µÇ´Â °æ»çÀüÁÖ ¹× ±Õ¿­ÀüÁÖ º¸¼ö¿¹»êÀÇ Àý°¨ÀÌ °¡´ÉÇÏ¸ç ¾ÈÀü¼º, °æÁ¦¼º, ÇöÀåÀû¿ë¼ºÀÌ ¿ì¼öÇÑ ±â°èÈ­ ½Ã°ø¹ýÀ» °³¹ßÇÏ°Ô µÇ¾ú´Ù.

2. ±âÁ¸±â¼úÀÇ ¹®Á¦Á¡°¡. Àη½ðøÀ¸·Î ÀÎÇÑ ÀÛ¾÷ È¿À²¼º ÀúÇÏ ¹× °ø»çºñ °ú´ÙÁöÃâ- ±âÁ¸ÀÇ Áö¼±±Ù°¡ ¸Å¼³°ø»ç½Ã ÀηÂÀ¸·Î ±¼ÂøÇÔÀ¸·Î½á °ø»ç½Ã°£ ¹× °ø»çºñ°¡ °ú´Ù¼Ò¿ä µÇ°í ÀÖÀ½.³ª. ºÒ¹ý ºÎ½Ç°ø»ç·Î °æ»çÀüÁÖ ¹× ±Õ¿­ÀüÁÖ ¹ß»ý- ¼Û¹èÀü ¹× Åë½Å¼³ºñÀÇ °¡°ø¼±·Î¿ë Áö¼±°ø»ç ½Ã°ø¹æ¹ýÀÌ Ç¥ÁØÈ­µÈ ±â°èÈ­ ½Ã°ø¹æ¹ý ¹× ±â°èÈ­ ±¼Âø°ø¿¡ ÀûÇÕÇϵµ·Ï °³¹ßµÈ ±Ù°¡°¡ ¾øÀ½.- ¿À°ÅÅ©·¹ÀÎÀ» ÀÌ¿ëÇÏ¿© ¿øÅëÇüÀ¸·Î ±¼ÂøÇϰí À广Çü ±Ù°¡¸¦ °øÀεÇÁö ¾ÊÀº ¹æ¹ýÀ¸·Î ¸Å¼³ÇÏ¿© ºÎ½Ç°ø»çÀÇ ¿øÀÎÀÌ µÇ°í, Àü¼±·ÎÀÇ ºÒÆòÇü Àå·Â¿¡ ºñÇÏ¿© ¼³Ä¡µÈ Áö¼±ÀÇ Çã¿ëÀÎÀå·Â ¹Ì´Þ·Î ÀÎÇÑ °æ»çÀüÁÖ ¹× ±Õ¿­ÀüÁÖ ¹ß»ý.

´Ù. ±¼Âø¹üÀ§ °ú´Ù·Î ÀÎÇÑ ¿øÅäÀÇ ÀÀÁý·Â ÀúÇÏ¿¡ µû¸¥ ½Ã°øÇ°Áú ÀúÇÏ- ÀηÂÀ¸·Î ±¼ÂøÇÒ ¶§ ±¼Âø¸éÀû°ú µÇ¸Þ¿ì±â ÀÛ¾÷¸éÀûÀÌ ³Ð¾î ¿øÅ亸´Ù ÀÀÁý·ÂÀÌ ÀúÇÏµÇ¾î °æ»çÀüÁÖ ¹ß»ýÀÇ ÁÖ¿äÀÎÀÌ µÇ°í ÀÚ¿¬ÀçÇØ¿¡µµ Ãë¾àÇÑ ¹®Á¦Á¡ÀÌ ÀÖÀ½.

¶ó. µµ½ÉÁö¿ª ÀÛ¾÷½Ã ±¼Âø·®ÀÌ ¸¹°í ÀÛ¾÷½Ã°£ °ú´Ù¼Ò¿ä·Î ÅëÇàÀÎ ºÒÆí - µµ½ÉÁö¿ª ¹× µµ·Îº¯ ÀÛ¾÷½Ã Åä»ç ±¼Âø·®ÀÌ ¸¹¾Æ ÀÛ¾÷ÇöÀå ȯ°æÈÑ¼Õ ¹× ÀÛ¾÷½Ã°£ÀÌ ¸¹ÀÌ ¼Ò¿äµÇ¹Ç·Î ÅëÇà ºÒÆí µî ¹Î¿øÀÌ ºó¹øÇÏ°Ô ¹ß»ýÇϰí ÀÖÀ½.

°³¹ß ¿ä¾àÀÌ ½Å±â¼úÀº ¾Õ¼­ ¸»ÇÑ ¹®Á¦Á¡µéÀ» ÇØ°áÇÑ ±â¼ú·Î½á ¿À°ÅÅ©·¹ÀÎÀ» ÀÌ¿ëÇÑ °¡°ø¼±·Î¿ë Áö¼±°ø»ç ±â°èÈ­°ø¹ý ¹× ÀÌÀÇ ½Ã°ø¿¡ ÀûÇÕÇÑ ¿À°ÅÅ©·¹Àοë È®ÀåÇü ±¼ÂøÀ¯´ÏÆ®¸¦ °³¹ßÇÏ¿© ¿À°ÅÅ©·¹ÀÎ ¼º´ÉÀÇ ±Ø´ëÈ­·Î ÀÛ¾÷¹üÀ§ È®´ë¿Í ÀÛ¾÷È¿À²¼º Çâ»ó ¹× ¿øÇüÁö¼±±Ù°¡(Á÷43cm, 62cm)¸¦ ±âÁ¸ À广Çü ±Ù°¡ ´ëºñ 30%Á¤µµ °æ·®À¸·Î °³¹ßÇϰí ÇöÀå¿¡ Àû¿ëÇÏ¿© ÀÛ¾÷ÀÌ ¿ëÀÌÇϰí Åä»ç ±¼Âø·®ÀÇ ÃÖ¼ÒÈ­, ÀÛ¾÷½Ã°£ ´ÜÃà, ½Ã°ø´É·üÇâ»ó, Àι߼º´É°­È­, ÀÛ¾÷ÇöÀå ȯ°æ°³¼±À¸·Î ¹Î¿ø¹æÁö ¹× ±³Åë¼ÒÅë¿øÈ°¿¡ È¿°ú°¡ ÀÖ°í °ø»ç¿ø°¡¸¦ Àý°¨ÇÏ°í ºÒ¹ý ºÎ½Ç°ø»ç ¹æÁö·Î ½Ã°øÇ°Áú ¹× ¾ÈÀü¼º Çâ»ó¿¡ µû¸¥ ¿¹»êÀý°¨ÀÌ °¡´ÉÇÑ °æÁ¦¼º ¹× ÇöÀåÀû¿ë¼ºÀÌ ¸Å¿ì ¿ì¼öÇÑ ±â°èÈ­°ø¹ýÀÌ´Ù.

1. ±â°èÈ­ ½Ã°ø¿ë ¿øÇü±Ù°¡ ÇöÀç ¿ì¸®³ª¶óÀÇ ¼Û¹èÀü ¹× Åë½Å¼³ºñ °¡°ø¼±·Î¿ë Áö¼±°ø»ç¿¡ »ç¿ëÇÏ´Â ±Ù°¡´Â 0.7m, 1.0m, 1.2m µîÀÇ ±Ù°¡¸¦ »ç¿ëÇϰí ÀÖ´Ù.

¡Û 0.7m(1.0m) Áö¼±±Ù°¡ : °¡°ø Åë½Å¼±·Î Áö¼±°ø»ç ¹× ¹èÀü 3»ó Ư°í¾ÐÀü¼± ACSR-OC 95mm2¹Ì¸¸ 1ȸ¼± ¼³ºñ¿¡ »ç¿ëÇϰí À̶§ ö¼±ÀÇ ±Ô°ÝÀº ¾Æ¿¬µµÃ¶¿¬¼± 7/2.6mmÀÌÇϸ¦ »ç¿ëÇÑ´Ù.¡Û 1.2m Áö¼±±Ù°¡ : ¼ÛÀü¼±·Î ¹× 3»ó Ư°í¾ÐÀü¼± ACSR-OC 95mm2ÀÌ»óÀÇ ¼³ºñ ¶Ç´Â ±× ¿Ü Àå°æ°£ °³¼Ò¿¡ »ç¿ëÇϰí À̶§ ö¼±ÀÇ ±Ô°ÝÀº ¾Æ¿¬µµÃ¶¿¬¼± 7/3.5mm ÀÌ»óÀ» »ç¿ëÇϰí ÀÖ´Ù.µû¶ó¼­ ÇöÀç »ç¿ëÇϰí ÀÖ´Â ±âÁ¸±Ù°¡´Â ¿À°ÅÅ©·¹ÀÎÀ» ÀÌ¿ëÇÑ ¿øÇü ±¼Âø½Ã ½Ã°øÀÌ ºÒ°¡´ÉÇÏ¿© ¿À°ÅÅ©·¹ÀÎÀ» ÀÌ¿ëÇÑ ±â°èÈ­ ¿øÇü ±¼Âø¿¡ ÀûÇÕÇÑ ±âÁ¸ 0.7m´ë¾ÈÀ¸·Î Á÷°æ 43cm ¿øÇü±Ù°¡ ¹× 1.0m, 1.2m ´ë¾È Á÷°æ 62cm ±â°èÈ­ ½Ã°ø¿ë ¿øÇü±Ù°¡¸¦ °³¹ßÇÏ°Ô µÇ¾ú´Ù.

2. ¿À°ÅÅ©·¹Àοë È®ÀåÇü ±¼Âø À¯´ÏÆ® ±âÁ¸ 0.7m ´ë¾ÈÀ¸·Î °³¹ßµÈ Á÷°æ 43cm¿øÇü ±Ù°¡´Â ±âÁ¸ÀÇ ¿À°ÅÅ©·¹ÀÎ ±¼Âø³¯ÀÇ Á÷°æÀÌ 50cm·Î ¸Å¼³ÀÌ °¡´ÉÇϳª Å« ÀÎÀåÇÏÁßÀ» ¿äÇÏ´Â ±âÁ¸ 1.0m, 1.2m±Ù°¡ ´ë¾ÈÀ¸·Î °³¹ßÇÑ 62cm ¿øÇü±Ù°¡´Â ±âÁ¸ ¿À°ÅÅ©·¹ÀÎ ±¼Âø³¯ÀÇ Á÷°æÀ¸·Î´Â ±â°èÈ­ ½Ã°øÀÌ ºÒ°¡´ÉÇÏ¿© °ÇÁÖ°ø»ç ¹× Á÷°æ 43cm ¿øÇü±Ù°¡ ¸Å¼³ÀÛ¾÷Àº ±×´ë·Î ±¼ÂøÀÌ °¡´ÉÇϰí Á÷°æ 62cm ¿øÇü±Ù°¡ ¸Å¼³½Ã ±¼Âø À¯´ÏÆ®¸¸ È®ÀåÇÏ¿© ½Ã°øÀÌ °¡´ÉÇϵµ·Ï ¿À°ÅÅ©·¹Àοë È®ÀåÇü ±¼ÂøÀ¯´ÏÆ®¸¦ °³¹ßÇÏ°Ô µÇ¾ú´Ù.

3. °¡°ø¼±·Î¿ë Áö¼±°ø»ç ±â°èÈ­°ø¹ý¼Û¹èÀü ¹× Åë½Å¼³ºñ °¡°ø¼±·Î¿ë Áö¼±±Ù°¡ ½Ã°ø¹æ¹ýÀº Àη±¼ÂøÀ» ÇÔÀ¸·Î½á ½Ã°ø½Ã°£ÀÌ ¸¹ÀÌ ¼Ò¿äµÇ¸ç ¶ÇÇÑ °æÁ¦Àû Ãø¸é¿¡¼± ÀΰǺñ°¡ °ø»çºñÀÇ ¸¹Àº ºÎºÐÀ» Â÷ÁöÇϰí ÀÖ´Â ½ÇÁ¤ÀÌ´Ù. ¶ÇÇÑ °ÇÁÖ°ø»ç´Â ¿À°ÅÅ©·¹ÀÎ ¹× ¹éÈ£¿ì(Backhoe)¸¦ ÀÌ¿ëÇÏ¿© ±â°èÈ­ ½Ã°øÀ» Çϰí ÀÖÀ¸³ª Áö¼± °ø»ç´Â ±â°èÈ­ ±¼Âø ½Ã°ø¿¡ ÀûÇÕÇÑ Áö¼±±Ù°¡ ¹× ±â°èÈ­ ½Ã°ø¹ýÀÌ ¾ø´Â ½ÇÁ¤ÀÌ´Ù.

µû¶ó¼­ °ÇÁÖ°ø»ç¿¡ »ç¿ëµÇ´Â ¿À°ÅÅ©·¹ÀÎÀ» ÀÌ¿ëÇÏ¿© °ÇÁÖ°ø»ç¿Í µ¿½Ã¿¡ Áö¼±°ø»çÀÇ ±Ù°¡ ¸Å¼³À» À§ÇÑ ±¼Âø ÀÛ¾÷À» ±â°èÈ­ÇÔÀ¸·Î½á °ø»ç½Ã°£ ´ÜÃà ¹× °ø»çºñÀý°¨ µîÀÇ È¿°ú¿Í ½Ã°øÇ°Áú Çâ»óÀ» µµ¸ðÇÒ ¼ö ÀÖ´Â °¡°ø¼±·Î¿ë Áö¼±°ø»ç ±â°èÈ­°ø¹ýÀ» °³¹ßÇÏ°Ô µÇ¾ú´Ù.

°¡. ¿À°ÅÅ©·¹ÀÎÀ» ÀÌ¿ëÇÑ Áö¼±°ø»ç ±â°èÈ­ °ø¹ý<µµ¸é 1>ÀÇ µµ½Ã¿Í °°Àº ¿À°ÅÃà(10)À» ÀÌ¿ëÇÏ¿© ±¼ÂøÀ¯´ÏÆ®(20)ÀÇ ±¼ÂøÅõ½º(12)¸¦ È®Àå½ÃŲ »óÅ¿¡¼­ <µµ¸é 1>ÀÇ µµ½Ã¿Í °°ÀÌ ±¼ÂøÇÏ¿© ´ëÇü±Ù°¡°¡ »ðÀ﵃ ¼ö ÀÖµµ·Ï ½Ã°ø ÈÄ Áö¼±±Ù°¡(32)ÀÇ ÇÏÃø¿¡ <µµ¸é 2a>ÀÇ µµ½Ã¿Í °°ÀÌ ·ÎÇÁ(33)¸¦ Áö¼±·Ôµå(34)¿Í Áö¼±±Ù°¡(32)ÀÇ Ã¼°áºÎ¿¡ °É¾î Áö¼±±Ù°¡(32)¸¦ ±¼Âø°ø¿¡ Çù·ÂÀÛ¾÷À¸·Î »ðÀÔÇÏ¿´À» ¶§ ·ÎÇÁ(33)ÀÇ ÀÚµ¿Àû ÀÎÀå·ÂÀ¸·Î Áö¼±±Ù°¡(32)ÀÇ ÈĴܺθ¦ µé¾îÁÖ°Ô µÇ¾î Áö¼±±Ù°¡(32)ÀÇ ¸Å¸³°¢ÀÌ Áö¼±·Ôµå(34)¿Í Á÷°¢À¸·Î Çü¼ºµÈ´Ù.

ÀÌ¿Í °°Àº »óÅ¿¡¼­ »ó±âÇÑ ·ÎÇÁ(33)¸¦ Á¦°ÅÇϰí Áö¼±·Ôµå(34)¿Í ±¼Âø°øÀÇ °£¼·ºÎ¿¡ ¹ß»ýÇÏ´Â Åä»ç¸¦ <µµ¸é 2b>ÀÇ µµ½Ã¿Í °°ÀÌ »ðÀ̳ª ±âŸÀÇ °ø±¸ µîÀ» ÀÌ¿ëÇÏ¿© ºØ±«½Ã۰í <µµ¸é 2c>ÀÇ µµ½Ã¿Í °°Àº ÀÏÁ¤ÇÑ °¢µµ¸¦ °®´Â Áö¼±·Ôµå(34) ¹× Áö¼±±Ù°¡(32)¸¦ Çü¼ºÇÑ ÈÄ ±× ±¼Âø°øÀ» µÇ¸Þ¿ò¿¡ ÀÇÇØ ¿Ï¼ºÇÏ¸é µÈ´Ù.»ó±âÇÑ ¹Ù¿Í °°Àº ½Ã°ø´Ü°è´Â ´ëÇü(62cm)±Ù°¡¸¦ ½Ã°øÇϱâ À§ÇÑ °ÍÀ¸·Î½á, ¼ÒÇüÀÇ ±Ù°¡¸¦ ½Ã°øÇϰíÀÚ ÇÏ´Â °æ¿ì¿¡´Â È®ÀåµÈ ±¼ÂøÅõ½º(12)¸¦ ³ª»çÃà(28)ÀÇ È¸Àü¿¡ ÀÇÇØ ¸öü(21)¸¦ ÇâÇÏ¿© Ãà¼ÒµÇ°Ô À̵¿½ÃŲ ÈÄ, ´ëÇü(62cm)±Ù°¡ °øÁ¤°ú »óµ¿ÇÑ °úÁ¤À¸·Î ½Ã°øÇÏ¸é µÈ´Ù.

µû¶ó¼­ ±¼ÂøÅõ½ºÀÇ Ãà¼Ò ¹× È®ÀåÀÌ °¡´ÉÇϹǷΠÁö¼±±Ù°¡ÀÇ Å©±â¿¡ ±¸¾Ö¹ÞÁö ¾Ê°í ¹ü¿ëÀÇ ½Ã°øÀÌ °¡´ÉÇÏ´Ù.

½Å±â¼úÀÌ ¼ÓÇÏ´Â ±â¼úºÐ¾ßÀÇ Á¾·¡±â¼úÇöÀç ¼Û¹èÀü ¹× Åë½Å¼³ºñ °¡°ø¼±·Î¿ë °ÇÁÖ°ø»ç ±¼ÂøÀº ¿À°ÅÅ©·¹ÀÎ ¹× ¹éÈ£¿ì(Backhoe)¸¦ ÀÌ¿ëÇÏ¿© ±â°èÈ­ ½Ã°øÇÏ´Â ¹Ý¸é¿¡ Áö¼±¼³Ä¡ °ø»çÀÇ ±¼ÂøÀº ¾Æ·¡ <±×¸² 1>°ú °°ÀÌ °è´Ü½Ä ±¼ÂøÀ» ÇÏ´Â Àη½ðø¿¡ ÀÇÁ¸Çϰí ÀÖÀ¸¸ç, ÀÌ·Î ÀÎÇØ µµ·Îº¯À̳ª ½Ã³»Áö¿ª¿¡¼­ Áö¼± ¼³Ä¡ ½Ã ÇöÀå ÈÑ¼Õ ¹× ÅëÇà¿¡ ºÒÆíÀ» ÁÖ´Â µî °æÁ¦Àû, ±â¼úÀûÀÎ ¹®Á¦°¡ ¸¹ÀÌ ¹ß»ýÇϰí ÀÖ´Ù.

¶ÇÇÑ °ÇÁÖ°ø»ç ÇöÀå¿¡ ÅõÀÔµÈ ¿À°ÅÅ©·¹ÀÎÀ» ÀÌ¿ëÇÏ¿© ±¼ÂøÇϰí Áö¼±±Ù°¡¸¦ ¸Å¼³ÇÏ´Â °æ¿ì ¿À°ÅÅ©·¹ÀÎÀÇ ±¼Âø³¯ÀÇ Á÷°æ(50cm)º¸´Ù ±âÁ¸ÀÇ Áö¼±±Ù°¡ (0.7m, 1.2m)°¡ Å©°í ±æ¾î¼­ Áö¼±·Ôµå¸¦ ±¸ºÎ·Á ½Ã°øÇÔÀ¸·Î½á Áö¼±ÀÇ Çã¿ëÀÎÀå ÇÏÁß¿¡ ¸ø ¹ÌÄ¡´Â ºÒ¹ý ºÎ½Ç°ø»ç·Î ÀÎÇÏ¿© °æ»çÀüÁÖ ¹ß»ý ¹× ±Õ¿­ÀüÁÖ ¹ß»ý µî ¸¹Àº ¹®Á¦Á¡ÀÌ ÀÖÀ¸¸ç ¹éÈ£¿ì(Backhoe)¸¦ ÀÌ¿ëÇÑ ±âÁ¸À广Çü Áö¼±±Ù°¡¸¦ ¸Å¼³ÇÏ´Â ½Ã°ø¹æ¹ýÀº ±¼Âø·®°ú´Ù ¹× ºÎ½Ç°ø»çÀÇ ¿øÀÎÀÌ µÇ°í ÀÖ´Ù.

½Å±â¼úÀÌ ÀÌ·ç°íÀÚ ÇÏ´Â ±â¼úÀû °úÁ¦

1. ±â°èÈ­ ½Ã°ø¿ë ¿øÇü±Ù°¡°¡. ±âÁ¸±Ù°¡ Á¦¿ø

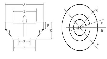
ÇöÀç ¼Û¹èÀü ¹× Åë½Å¼³ºñ °¡°ø¼±·Î¿ë Áö¼±°ø»çÀÇ ±Ù°¡´Â ¹èÀü Ư°í¾Ð Àü¼± ACSR-OC 95mm2 ¹Ì¸¸ 1ȸ¼± ¼³ºñ ¹× Åë½Å°¡°ø¼±·Î¿¡´Â ¾Æ¿¬µµÃ¶¿¬¼± 7/2.6mm ÀÌÇÏ Áö¼±°ú 0.7m ±Ù°¡¸¦ »ç¿ëÇϰí, ¹èÀü Ư°í¾Ð Àü¼± ACSR-OC 95mm2 ÀÌ»ó ¶Ç´Â Àå°æ°£ °³¼ÒÀÇ Áö¼±¿¡´Â ¾Æ¿¬µµÃ¶¿¬¼± 7/3.5mm ÀÌ»óÀÇ Áö¼±°ú 1.2m ±Ù°¡¸¦ »ç¿ëÇϰí ÀÖÀ¸¸ç, ±Ù°¡ÀÇ ¾ÐÃà°­µµ´Â 180kgf/cm2 ÀÌ»óÀÌ µÇ¾î¾ß ÇÑ´Ù.´ÙÀ½ <±×¸² 2>´Â ±âÁ¸¿¡ »ç¿ëÇϰí ÀÖ´Â 0.7m ±Ù°¡¿Í 1.2m ±Ù°¡ÀÇ ¸ð¾ç ¹× Ä¡¼ö(´ÜÀ§ : mm)¿¡ °üÇÑ ±×¸²ÀÌ´Ù.

³ª. ±â°èÈ­ ½Ã°ø¿ë ¿øÇü±Ù°¡ Á¦¿ø

ÇöÀç ¼Û¹èÀü ¹× Åë½Å¼³ºñ °¡°ø¼±·Î¿ë °ÇÁÖ°ø»ç¿¡ »ç¿ëµÇ´Â ¿À°ÅÅ©·¹ÀÎÀÇ ±¼Âû³¯ Á÷°æÀÌ 50cm ÀÌÇÏ À̹ǷΠ¿À°ÅÅ©·¹ÀÎÀ» ÀÌ¿ëÇÏ¿© ±âÁ¸±Ù°¡(0.7m, 1.2m) ½Ã°ø½Ã ±âÁ¸±Ù°¡ÀÇ ±æÀ̰¡ ±¼ÂøÁ÷°æÀ» ÃʰúÇϹǷΠÁö¼±·Ôµå°¡ Áö¼±±Ù°¡¿Í ¼öÁ÷(90¢ª)ÀÌ µÇ°Ô ½Ã°øÀÌ ºÒ°¡´ÉÇÏ°í ¿À°ÅÅ©·¹ÀÎÀ¸·Î ±¼Âø½Ã ±¼Âø°øÀÌ ¿øÇüÀ¸·Î Çü¼ºµÇ¹Ç·Î ±â°èÈ­ ½Ã°ø¿ë ¿øÇü±Ù°¡ °³¹ß·Î Ç×»ó Áö¼±·Ôµå¿Í ±Ù°¡°¡ ¼öÁ÷(90¡Æ)À¸·Î ½Ã°øÀÌ °¡´ÉÇϵµ·Ï Á÷°æ 43cmÀÇ ¿øÇü±Ù°¡¸¦ °³¹ßÇÏ¿´´Ù.¶ÇÇÑ Á÷°æ 43cm ¿øÇü±Ù°¡´Â ±âÁ¸ÀÇ 0.7m ±Ù°¡¿Í µ¿µî ÀÌ»óÀÇ ÀÎÀå·ÂÀ» °ßµð³ª ±âÁ¸ 1.2m ±Ù°¡ÀÇ ÀÎÀå·Â¿¡´Â °ßµðÁö ¸øÇÏ¿© Á÷°æ 43cmÀÇ ¿øÇü±Ù°¡¸¦ ÀÌ¿ëÇÏ¿© ¸Å¼³ ±íÀ̸¦ Á¶ÀýÇÏ¿© ±âÁ¸ 0.7m, 1.2m±Ù°¡¸¦ ´ëüÇÏ·Á ÇÏ¿´À¸³ª ½Ã¹Ä·¹ÀÌ¼Ç ¹× ÇöÀå½ÇÁõ½ÃÇè °á°ú ±âÁ¸ 0.7m±Ù°¡ Àι߷¿¡´Â ¸¸Á·Çϳª 1.2m ±Ù°¡ÀÇ Àι߷¿¡´Â ºÎÀûÇÕÇÑ °ÍÀ¸·Î ÆÇ¸íµÇ¾î 1.2m ±Ù°¡ÀÇ ´ë¾ÈÀ¸·Î Á÷°æ 62cmÀÎ ¿øÇü±Ù°¡¸¦ Ãß°¡ °³¹ßÇÏ°Ô µÇ¾ú´Ù.

´Ù. ö±Ù¹è¿­

´ÙÀ½ <±×¸² 6>Àº °³¹ßµÇ´Â ¿øÇü±Ù°¡¿¡ µé¾î°¡´Â ö±Ù¹è¿­·Î½á ±×¸²¿¡¼­Ã³·³ °ÝÀÚÇüÀ¸·Î ¹è¿­ÇÏ¿´À¸¸ç ö±ÙÀÇ µÎ²²´Â 10mm, ´ëÇü±Ù°¡¿ë ö±ÙÀÇ ±æÀÌ´Â 480¡¿480[mm]ÀÌ°í ¼ÒÇü±Ù°¡ÀÇ ±æÀÌ´Â 340¡¿340[mm]·Î Á¦ÀÛÇÏ¿´´Ù.

¶ó. ±â°èÈ­ ½Ã°ø¿ë ¿øÇü±Ù°¡ÀÇ ÀåÁ¡¨Ø ±Ù°¡ÀÇ ¼ÒÇüÈ­ ¹× °æ·®È­¨è ¿î¹Ý ¹× Ãë±ÞÀÌ ¿ëÀٰ̱¡ ¹Ø¸é¿¡ ¼ÕÀâÀ̰¡ ÀÖ¾î ¿î¹ÝÀÌ ¿ëÀÌÇÏ°í °ø»çÀÇ Æí¸®ÇÔÀ» µµ¸ðÇÒ ¼ö ÀÖÀ» °ÍÀÌ¸ç ±Ù°¡ »óºÎ¸é¿¡ ȨÀ» µÎ¾î ±Ù°¡¸¦ ÀûÃþÇÒ ¼ö ÀÖÀ» »Ó ¾Æ´Ï¶ó ±âÁ¸±Ù°¡º¸´Ù Áß·®ÀÌ °¡º­¿ö ¿î¹Ý ¹× Ãë±ÞÀÌ ¿ëÀÌÇÏ°Ô °³¹ßÇÏ¿´´Ù.¨é ±âÁ¸±Ù°¡ÀÇ ¹®Á¦Á¡ °³¼± ¹× º¸¿Ï<±×¸² 10>¿¡¼­ º¸µíÀÌ ¹Ø¸é »ç°¢¿Í»þ »ðÀԺδ ±âÁ¸ÀÇ »ç°¢ Ȩ¿¡¼­ ¿øÇü ȨÀ¸·Î º¯Çü½ÃÄÑ ±âÁ¸±Ù°¡ ½Ã°ø ½Ã »ç°¢¿Í»þ°¡ »ðÀԺο¡ Á¤È®È÷ »ðÀÔÀÌ ¾ÈµÉ °æ¿ì »ç°¢¿Í»þÀÇ ÈÖ¾îÁü¿¡ µû¸¥ Áö¼±·Ôµå ÀÌÅ»»ç°í¸¦ ¹æÁöÇϱâ À§ÇÏ¿© »ç°¢¿Í»þ »ðÀԺθ¦ ¿øÇüÀ¸·Î Á¦ÀÛÇÏ¿© »ç°¢¿Í»þÀÇ ¹æÇâ¿¡ »ó°ü¾øÀÌ Á¤È®ÇÏ°Ô »ðÀԵǵµ·Ï ±âÁ¸±Ù°¡ÀÇ ¹®Á¦Á¡À» °³¼±ÇÏ¿© Á¦ÀÛÇÏ¿´´Ù.

2. ¿À°ÅÅ©·¹Àοë È®ÀåÇü ±¼ÂøÀ¯´ÏÆ® °¡. °³¹ß¹è°æ

ÇöÀç »ç¿ëÇϰí ÀÖ´Â ±âÁ¸±Ù°¡´Â 0.7m, 1.0m, 1.2m µîÀÇ Á¾·ù·Î ±¸ºÐµÇ¾î ÀÖ¾î °³¹ßµÈ ¼ÒÇü(43cm) ¿øÇü±Ù°¡¸¦ ´õ Å« ÀÎÀåÇÏÁßÀ» ¿ä±¸ÇÏ´Â 1.2m±Ù°¡ »ç¿ë°³¼Ò¿¡ ±í°Ô ¹¯¾î ÀÚÀç ¹× °ø¹ýÀ» ´Ü¼øÈ­ÇÏ·Á°í ÇÏ¿´À¸³ª ¸ðÀÇ ½Ã¹Ä·¹ÀÌ¼Ç ¹× ÇöÀå½ÇÁõ ½ÃÇè°á°ú ±íÀ̸¦ ´õ ¹¯´Â °ÍÀº ÇѰ谡 ÀÖ¾î ºÒ°¡´ÉÇÑ °ÍÀ¸·Î ÆÇ´ÜµÇ¾ú´Ù.¶ÇÇÑ ±âÁ¸ ¿À°ÅÅ©·¹ÀÎ ¿À°Å³¯(Á÷°æ 50cmÀÌÇÏ)·Î ±¼ÂøÇÏ¿© °³¹ßµÈ ¼ÒÇü(43cm)¿øÇü±Ù°¡¸¦ ¸Å¼³ÇÏ´Â °æ¿ì ÅäÁú¿¡ µû¶ó ±¼ÂøµÈ ±¸µ¢À̰¡ ¹«³ÊÁö°Å³ª Á¼¾ÆÁ® ¸Å¼³ÀÌ ¾î·Á¿î °æ¿ì°¡ ¹ß»ýÇÏ¿© °æ¿ì¿¡ µû¶ó¼­´Â 60cm ³ÐÀÌ·Î ±¼ÂøÀÌ ÇÊ¿äÇϹǷΠ°ÇÁÖ°ø»ç ¹× °³¹ßµÈ ´ëÇü(62cm)±Ù°¡ ¸Å¼³¿¡µµ Ȱ¿ëÀÌ °¡´ÉÇϵµ·Ï È®ÀåÇü À¯´ÏÆ®¸¦ ÀÌ¿ëÇÏ¿© Çʿ信 µû¶ó ³ÐÀº ±¼ÂøÀÌ °¡´ÉÇÑ ¿À°ÅÅ©·¹Àοë È®ÀåÇü ±¼ÂøÀ¯´ÏÆ®¸¦ °³¹ßÇÏ°Ô µÇ¾ú´Ù.

³ª. °³¹ßÀÇ ¸ñÀû¨Ø °¡°ø¼±·Î¿ë Áö¼±°ø»ç ±â°èÈ­°ø¹ý ÇöÀå Ȱ¿ë¼º Áõ´ë ¨è °ø¹ý ¹× ±âÁØÀÇ ´Ü¼øÈ­¨é ºÒ¹ý ºÎ½Ç°ø»ç ¹æÁö·Î ½Ã°øÇ°Áú Çâ»ó<µµ¸éÀÇ ÁÖ¿äºÎºÐ¿¡ ´ëÇÑ ºÎÈ£ÀÇ ¼³¸í> 10 : ¿À°ÅÃà11 : ¿À°Å»ð³¯12 : ±¼ÂøÅõ½º12': ±¼ÂøÅõ½º20 : ±¼ÂøÀ¯´ÏÆ®21 : ¸öü22 : ³ª»ç°ü23 : ¿äȨÁ¶24 : ÁöÁö±¸25 : Á¶Àý±¸26 : ¸ØÃ㺼Ʈ27 : ¸¶°¨±¸28 : ³ª»çÃà29 : º£¾î¸µ30 : °É¸²ÅÎ31 : Á¶Àý¸Ó¸®ºÎ´Ù. ¿À°ÅÅ©·¹ÀÎ È®Àå¿ë ±¼ÂøÀ¯´ÏÆ®ÀÇ ±¸¼º ¹× ¼¼ºÎ¼³¸í¨Ø ¿À°ÅÅ©·¹ÀÎ È®Àå¿ë ±¼ÂøÀ¯´ÏÆ® ±¸¼º<µµ¸é 3>Àº ¿À°ÅÅ©·¹Àοë È®ÀåÇü ±¼ÂøÀ¯´ÏÆ®ÀÇ ºÐ¸®»ç½ÃµµÀ̰í, <µµ¸é 4>´Â ¿À°ÅÅ©·¹Àοë È®ÀåÇü ±¼ÂøÀ¯´ÏÆ®ÀÇ °áÇÕ»ç½ÃµµÀ̸ç, <µµ¸é 5a> ¹× <µµ¸é 5b>´Â ¿À°ÅÅ©·¹Àοë È®ÀåÇü ±¼ÂøÀ¯´ÏÆ®ÀÇ ´Ü¸éµµÀÌ´Ù.³ª¼±Çü ¿À°Å»ð³¯(11)À» °®´Â ¿À°ÅÃà(10)ÀÇ ±¼Âø ´ÜºÎ¿¡, ¾çÃøÀ¸·Î µ¹ÃâµÈ ±¼ÂøÅõ½º(12)¸¦ °®´Â ¿À°ÅÅ©·¹ÀÎ¿ë ±¼Âø¿À°ÅÀÇ ¿À°ÅÃà(10)±¼Âø´Ü¿¡ º°µµÀÇ ±¼ÂøÀ¯´ÏÆ®(20)¸¦ ÀåÂøÇÏ¸ç ±¼ÂøÀ¯´ÏÆ®(20)´Â ¾çÃøÀ¸·Î ºÐÇÒ µ¹ÃâµÈ ÁöÁö±¸(24)¸¦ Çü¼ºÇϰí ÁöÁö±¸(24)¸¦ µû¶ó ½½¶óÀ̵ùµÇ´Â ±¼ÂøÅõ½º(12)(12') ¹× ³Ð¾îÁø ºÎºÐ ±¼ÂøÀ» À§ÇÑ ±¼ÂøÅõ½º (12')¸¦ Çü¼ºÇÏ¿© ±¼ÂøÅõ½º(12)°¡ ±× ÁöÁö±¸(24)·ÎºÎÅÍ È¾¹æÇâÀ¸·Î È®Àå ¹× Ãà¼ÒµÇ°Ô ±¸¼ºÇÑ °ÍÀÌ´Ù.À̶§, ±¼ÂøÀ¯´ÏÆ®(20)´Â ¿À°ÅÃà(10)°ú ü°áµÇ´Â ¸öü(21)°¡ ±¸ºñµÇ°í, ±× ¸öü(21)ÀÇ ¾çÃø¿¡´Â ³»ºÎ¿¡ º°µµÀÇ ³ª»ç°ü(22)ÀÌ À§Ä¡ÇÏ°í ¿ÜÃø¸é¿¡´Â ³»ºÎ·Î µ¹ÃâµÇ´Â ¸ØÃ㺼Ʈ(26)¸¦ °®´Â ÁöÁö±¸(24)°¡ Çü¼ºµÇ¸ç, ÁöÁö±¸(24)ÀÇ ³»Ãø¸é¿¡´Â °üü»óÀÇ Á¶Àý±¸(25)¸¦ »ðÀÔÇÏ¿© ±× Á¶Àý±¸(25)ÀÇ ¿ÜÃø¸é¿¡ Çü¼ºµÈ ¿äȨÁ¶(23)¿¡ ¸ØÃ㺼Ʈ(26)ÀÇ ´ÜºÎ°¡ »ðÀÔµÇ°Ô Çϸç, Á¶Àý±¸(25)ÀÇ ¿ÜÃø´Ü¿¡´Â, ±¼ÂøÅõ½º(12)(12')¸¦ °®´Â ¸¶°¨±¸(27)¸¦ ³ª»ç °áÇÕÇϵÇ, ¸¶°¨±¸(27)ÀÇ Áß¾Ó¿¡´Â »ó±â ³ª»ç°ü(22)¿¡ ³ª»ç °áÇյǴ ³ª»çÃà(28)ÀÌ °øÈ¸ÀüµÇ°Ô °áÇյǾî, ³ª»çÃà(28)ÀÇ È¸Àü¿¡ ÀÇÇØ ±× Á¶Àý±¸(25) ¹× ¸¶°¨±¸(27)°¡ ÁöÁö±¸(24)¸¦ µû¶ó ½½¶óÀ̵ùµÇ°Ô ±¸¼ºÇÑ °ÍÀÌ´Ù.³ª»çÃà(28)Àº ¸¶°¨±¸(27)ÀÇ ³»Ãø¿¡ ³»ÀåµÈ º£¾î¸µ(29)¿¡ ÀÇÇØ ȸÀü °¡´ÉÇÏ°Ô °áÇÕÇϵÇ, ³ª»çÃà(28)¿¡ Á¶Àý¸Ó¸®ºÎ(31)¸¦ Çü¼ºÇÏ¿© ¸¶°¨±¸(27)ÀÇ ÀÏÃøÀ¸·Î ³ëÃâµÇ°Ô ÇÏ¿© ¿ëÀÌÇÏ°Ô Á¶ÀýÀÛ¾÷À» ÇÒ ¼ö ÀÖµµ·Ï Çϰí, ³ª»çÃà(28)¿¡ °áÇÕµÈ º£¾î¸µ(29)Àº »ó±â ¸¶°¨±¸(27) ³»ÃøÀÇ °É¸²ÅÎ(30)¿¡ ÀÇÇØ ±× ³ª»çÃà(28)ÀÌ À¯µ¿µÇÁö ¾Êµµ·Ï °áÇÕÇÏ¿© ±¸¼ºÇÑ °ÍÀÌ´Ù.¨è ¿À°ÅÅ©·¹ÀÎ È®Àå¿ë ±¼ÂøÀ¯´ÏÆ® ¼¼ºÎ¼³¸íº» °³¹ß È®ÀåÇü ±¼ÂøÀ¯´ÏÆ®(20)´Â ³ª¼±ÇüÀÇ ¿À°Å»ð³¯(11)À» °®´Â ¿À°ÅÃà(10)ÀÇ ÇÏ´Ü¿¡ °áÇÕ »ç¿ëµÇ´Â °ÍÀ¸·Î¼­ Åë»óÀÇ ¸öü(21) ¾çÃøÀ¸·Î °üü»óÀÇ ÁöÁö±¸(24)°¡ ´ëÇâ¹æÇâÀ¸·Î µ¹Ãâ Çü¼ºµÇ¾î ÀÖ°í, ±× ÁöÁö±¸(24)ÀÇ ³»Ãø¿¡´Â ¾Ï³ª»ç°¡ Çü¼ºµÈ ³ª»ç°ü(22)ÀÌ À§Ä¡Çϰí ÀÖ´Â °ÍÀÌ´Ù.¶ÇÇÑ, ÁöÁö±¸(24)ÀÇ ³»Áָ鿡´Â ´Ù¼ö°³ÀÇ °æ»ç»ó ±¼ÂøÅõ½º(12)(12')¸¦ °®´Â ¸¶°¨±¸(27)¿Í ü°áµÇ´Â Á¶Àý±¸(25)°¡ »ðÀԵǴ °ÍÀε¥, Á¶Àý±¸(25)ÀÇ ¿ÜÃø¸é¿¡´Â ±æÀ̹æÇâÀ» µû¶ó ¿äȨÁ¶(23)°¡ Çü¼ºµÇ¾î ÀÖ°í »ó±â ÁöÁö±¸(24)¿¡´Â »ó±â ¿äȨÁ¶(23)ÀÇ ³»ÃøÀ¸·Î Çϴܺΰ¡ »ðÀԵǴ ¸ØÃ㺼Ʈ(26)°¡ °áÇյǾî ÀÖ´Â °ÍÀ¸·Î½á, Á¶Àý±¸(25)°¡ ÁöÁö±¸(24)¸¦ µû¶ó Ⱦ¹æÇâÀ¸·Î ½½¶óÀ̵ùÇÏ°Ô µÇ¸é ±× Á¶Àý±¸(25)ÀÇ ½½¶óÀ̵ùÆøÀº ¸ØÃ㺼Ʈ(26)ÀÇ ÇÏ´ÜÀÌ À§Ä¡ÇÏ´Â Á¶Àý±¸(25)ÀÇ ¿äȨÁ¶(23) ±æÀÌ¿¡ ÇÑÁ¤µÇ´Â °ÍÀÌ´Ù.¶ÇÇÑ, Á¶Àý±¸(25)ÀÇ ´ÜºÎ¿¡´Â ´Ù¼ö°³ÀÇ ±¼ÂøÅõ½º(12)(12')¸¦ °®´Â ¸¶°¨±¸(27)°¡ °áÇյǾî ÀÖ´Â °ÍÀε¥, »ó±âÇÑ ¸¶°¨±¸(27)ÀÇ Áß¾Ó¿¡´Â ³ª»ç°ü(22)°ú ³ª»ç °áÇյǴ ³ª»çÃà(28)ÀÌ °áÇյǾî ÀÖ°í ±× ³ª»çÃà(28)Àº »ó±â ¸¶°¨±¸(27)·ÎºÎÅÍ ÀÚÀ¯ ȸÀüµÉ ¼ö ÀÖ´Â ±¸Á¶¸¦ °®°í ÀÖ´Â °ÍÀÌ´Ù.Áï, ³ª»çÃà(28)Àº »ó±â ¸¶°¨±¸(27)ÀÇ Áß¾Ó¿¡ »ðÀԵǰí, ±× ¸¶°¨±¸(28)¿¡ Çü¼ºµÈ °É¸²ÅÎ(30)ÀÇ Àü, ÈÄ¿¡ À§Ä¡ÇÑ º£¾î¸µ(29)¿¡ ÀÇÇØ °íÁ¤µÇ¾î ÀÖ´Â °ÍÀ¸·Î, º£¾î¸µ(29)¿¡ ÀÇÇØ ±× ³ª»çÃà(28)Àº ÀÚÀ¯È¸ÀüÀÌ °¡´ÉÇÑ »óŰ¡ µÇ´Â °ÍÀ̸ç, ±× ³ª»çÃà(28)ÀÇ ÀÏ´Ü¿¡´Â À°°¢Çü»ó µîÀÇ Á¶Àý¸Ó¸®ºÎ(31)°¡ Çü¼ºµÇ¾î ÀÖ¾î ¸¶°¨±¸(27)ÀÇ ¿ÜÃøÀ¸·ÎºÎÅÍ °ø±¸¿¡ ÀÇÇØ ÀÛ¾÷½Ã ¿ëÀÌÇÏ°Ô È¸Àü½Ãų ¼ö ÀÖµµ·Ï µÇ¾î ÀÖ´Ùµû¶ó¼­, »ó±â¿Í °°Àº °áÇÕ»óÅ¿¡¼­ ÀÛ¾÷ÀÚ´Â ³ª»çÃà(28)À» ȸÀü½ÃÅ´¿¡ µû¶ó ±¼ÂøÅõ½º(12)(12')¸¦ °®´Â ¸¶°¨±¸(27)¿Í Á¶Àý±¸(25)¸¦ Ⱦ ¹æÇâÀ¸·Î È®Àå ¹× Ãà¼Ò½Ãų ¼ö ÀÖ´Â °ÍÀÌ¸ç ³ª»çÃà(28)ÀÌ È¸ÀüµÇ¸é ³ª»ç °áÇյǾî ÀÖ´Â ³ª»ç°ü(22)Àº ±× ¸öü(21)¿¡ °íÁ¤µÇ¾î ÀÖÀ¸¹Ç·Î °á±¹ ³ª»çÃà(28)°ú °áÇÕµÈ ¸¶°¨±¸(27)¿Í Á¶Àý±¸(25)°¡ À¯µ¿ÇÏ°Ô µÈ´Ù.±×·¯¹Ç·Î, ¼ÒÇü(43cm)¿øÇü±Ù°¡¸¦ ½Ã°øÇϰíÀÚ ÇÏ´Â °æ¿ì¿¡´Â ±¼ÂøÀ¯´ÏÆ®(20)ÀÇ ¾çÃø ±¼ÂøÅõ½º(12)¸¦ ¸öü(21)ÀÇ ³»ÃøÀ¸·Î À̵¿ÇÏ¿© ÃÖ¼ÒÆøÀ» °®°Ô ÇÔÀ¸·Î½á »ó±â ¼ÒÇü(43cm)±Ù°¡¿¡ ÀûÇÕÇÑ ±¼Âø°ø Çü¼º ¹× Áö¼±½Ã°ø ÀÛ¾÷°ú ±âÁ¸ °ÇÁÖÀÛ¾÷À» ÇÒ ¼ö ÀÖ´Â °ÍÀ̸ç, ´ëÇü(62cm)¿øÇü±Ù°¡¸¦ ½Ã°øÇϰíÀÚ ÇÏ´Â °æ¿ì¿¡´Â ±¼ÂøÅõ½º(12)¸¦ ¿ÜÃøÀ¸·Î È®Àå½ÃÄÑ ÃÖ´ëÆøÀ» °®°Ô ÇÔÀ¸·Î½á ´ëÇü(62cm)¿øÇü±Ù°¡¿¡ ÀûÇÕÇÑ ±¼Âø°øÀ» Çü¼ºÇÒ ¼ö ÀÖÀ¸¸ç À̶§ ±¼ÂøÅõ½º(12')´Â ±¼ÂøÅõ½º(12)ÀÇ È®ÀåÀ¸·Î ³Ð¾îÁö´Â °ø°£ÀÇ ±¼ÂøÀ» °¡´ÉÇÏ°Ô ÇÏ¿© ±¼ÂøÀ» ¿øÈ°È÷ ¼öÇàÇÏ´Â ¿ªÇÒÀ» ÇÑ´Ù.

3. °¡°ø¼±·Î¿ë Áö¼±°ø»ç ±â°èÈ­°ø¹ýÇöÀç ¼Û¹èÀü ¹× Åë½Å¼³ºñ °¡°ø¼±·Î¿ë Áö¼±°ø»ç´Â Àη±¼ÂøÀ» ÇÔÀ¸·Î½á °ø»ç½Ã°£ÀÌ ¸¹ÀÌ ¼Ò¿äµÇ¸ç °ø»çºñ°¡ °ú´Ù¼Ò¿äµÇ´Â ½ÇÁ¤ÀÌ´Ù. ¶ÇÇÑ °ÇÁÖ°ø»ç´Â ¿À°ÅÅ©·¹ÀÎÀ» ÀÌ¿ëÇÏ¿© ±â°èÈ­ ½Ã°øÀ» Çϰí ÀÖÀ¸³ª Áö¼±°ø»çÀÇ °æ¿ì´Â ±â°èÈ­ ±¼Âø ½Ã°ø¿¡ ÀûÇÕÇÑ Áö¼±±Ù°¡ ¹× ±â°èÈ­ ½Ã°ø¹ýÀÌ ¾ø´Â ½ÇÁ¤ÀÌ´Ù. µû¶ó¼­ °ÇÁÖ°ø»ç¿¡ »ç¿ëµÇ´Â ¿À°ÅÅ©·¹ÀÎÀ» ÀÌ¿ëÇÏ¿© °ÇÁÖ°ø»ç¿Í µ¿½Ã¿¡ Áö¼±°ø»ç ±¼ÂøÀ» ÇÒ ¼ö ÀÖ´Â ¿À°ÅÅ©·¹ÀÎÀ» ÀÌ¿ëÇÏ¿© ±â°èÈ­½ÃÅ´À¸·Î½á °ø»ç½Ã°£ ´ÜÃà ¹× °ø»çºñÀý°¨ µîÀÇ È¿°ú¿Í ½Ã°øÇ°Áú Çâ»óÀ» µµ¸ðÇÒ ¼ö ÀÖ´Â ¡®°¡°ø¼±·Î Áö¼±°ø»ç ±â°èÈ­°ø¹ý¡¯À» °³¹ßÇÏ°Ô µÇ¾ú´Ù.

¡¤¿À°ÅÅ©·¹ÀÎÀ» ÀÌ¿ëÇÑ ±â°èÈ­ °ø¹ý Á¾·¡ÀÇ ±âÁ¸±â¼úÀÎ Àη±¼ÂøÀº Áö¼±±Ù°¡ ½Ã°ø½Ã ±¼ÂøµÇ´Â Åä»ç·®ÀÌ ¸¹¾Æ ½Ã°øÈÄ ¿øÅäÀÇ ÀÀÁý·ÂÀÇ ¸¹Àº ºÎºÐÀ» »ó½ÇÇÏ¿© ±Ù°¡ÀÇ ÇÊ¿äÁ¶°ÇÀÎ Áö¼±¿¡ °É¸®´Â Àå·Â¿¡ ´ëÇÏ¿© ÃæºÐÇÑ Àι߷ÂÀ» À¯ÁöÇÏ±â ¾î·Æ´Ù. ±×·¯³ª ½Å±â¼úÀÎ ¿À°ÅÅ©·¹ÀÎÀ» ÀÌ¿ëÇÑ ±â°èÈ­ ½Ã°ø½Ã »õ·Î °³¹ßµÈ ¿øÇü±Ù°¡¸¦ ½Ã°øÇÏ¿© ±âÁ¸±â¼úº¸´Ù ±¼Âø·®ÀÌ Àû¾î ½Ã°øÈÄ ¿øÅäÀÇ ÀÀÁý·Â ¼Õ½ÇÀ» ÃÖ¼ÒÈ­ÇÒ ¼ö ÀÖÀ¸¹Ç·Î ½Ã°øÈÄ ÀûÇÕÇÑ Áö¼±±Ù°¡ÀÇ Àι߷ÂÀ» À¯ÁöÇÒ ¼ö ÀÖ´Ù.

±¹³»¡¤¿Ü Àü·Â½Ã¼³¹° Ȱ¿ëÀü¸Á

1. ±¹³» Ȱ¿ëÀü¸Á¼Û¹èÀü ¹× Åë½Å¼³ºñÀÇ Áö¼±°ø»ç¿¡ ¡®°¡°ø¼±·Î¿ë Áö¼±°ø»ç ±â°èÈ­°ø¹ý¡¯À» Àû¿ëÇÏ¿© °ø»çºñ Àý°¨È¿°ú¿Í ½Ã°øÇ°ÁúÀÇ Çâ»óÀ» ¾òÀ» ¼ö ÀÖÀ» °ÍÀ̶ó ±â´ëµÇ¸ç ¶ÇÇÑ ±¼Âø¸éÀûÀ» ÃÖ¼ÒÈ­ÇØ¾ß ÇÏ´Â ½Ã³»Áö¿ª ¹× µµ·Îº¯¿¡ Áö¼± ¼³Ä¡ ½Ã ÀÛ¾÷ȯ°æ°³¼± ¹× ÅëÇà ºÒÆí µî¿¡ ´ëÇÑ ¹Î¿øÇØ¼Ò¿Í ¿À°ÅÅ©·¹ÀÎÀ» »ç¿ëÇÑ ºÒ¹ý ºÎ½Ç½Ã°øÀ» ¹æÁöÇÏ¸ç ½Ã°ø±â¼úÀÇ ¾ÈÀü¼º ¹× ÀÛ¾÷´É·üÀÇ °³¼±À¸·Î ½Ã°ø¾÷ü °æ¿µÈ¿À² Çâ»óÀ» ±â´ëÇÒ ¼ö ÀÖ´Ù.¡Û À广Çü ±âÁ¸±Ù°¡¸¦ Ãë±Þ ¹× ¿î¹ÝÀÌ ¿ëÀÌÇÑ °³¹ß¿øÇü±Ù°¡·Î ´ëü°¡´É¡Û º¹ÀâÇÑ ½Ã°¡Áö Áö¼±°ø»ç¿¡ »ç¿ëÇÏ¿© ÅëÇàºÒÆí ¹®Á¦ ÇØ¼Ò¡Û ³ÐÀº ±¼Âø ÇÊ¿ä½Ã °³¹ßµÈ ¿À°ÅÅ©·¹Àοë È®ÀåÇü ±¼ÂøÀ¯´ÏÆ® Ȱ¿ë¡Û Àη½ðø ¹× ±âÁØÀ» ±â°èÈ­½Ã°ø ¹× ±âÁØÀ¸·Î Àüȯ °¡´É¡Û ¹èÀüºÐ¾ß¿Í À¯»çÇÑ Åë½Å ¹× Àü±âöµµ°ø»ç µî¿¡µµ Ȱ¿ëÀÌ °¡´É

2. ±¹¿Ü Ȱ¿ëÀü¸Á¿Ü±¹ÀÇ °æ¿ìµµ ¼Û¹èÀü °¡°ø¼±·Î¿ë °ÇÁÖ°ø»ç´Â ±â°èÈ­ ½Ã°øÀ» Çϰí ÀÖÀ¸³ª Áö¼±°ø»çÀÇ °æ¿ì ¿À°ÅÅ©·¹ÀÎÀÇ ±¼Âø ³ÐÀ̰¡ ÇÑÁ¤µÇ¾î ÀÖ¾î ¿À°ÅÅ©·¹ÀÎÀ» ÀÌ¿ëÇÑ ±â°èÈ­ °ø¹ýÀÌ ¾øÀ¸¸ç ü°èÈ­ µÇ¾î ÀÖÁö ¾ÊÀº ½ÇÁ¤ÀÌ´Ù. º» ½Å±â¼ú·Î °³¹ßµÈ ¿øÇü±Ù°¡¸¦ ÀÌ¿ëÇÑ ¼Û¹èÀü ¹× Åë½Å¼³ºñ ¡®°¡°ø¼±·Î¿ë Áö¼±°ø»ç±â°èÈ­ °ø¹ý¡¯Àº ¿Ü±¹ÀÇ ¼Û¹èÀü ¹× Åë½Å¼³ºñ °¡°ø¼±·Î Áö¼±°ø»ç¿¡µµ º¸±ÞÀÌ °¡´ÉÇÒ °ÍÀ¸·Î »ç·áµÈ´Ù.

±â¼úÀû, °æÁ¦Àû ÆÄ±ÞÈ¿°ú

1. ±â¼úÀû ÆÄ±ÞÈ¿°ú¡Û Ç¥ÁØÈ­µÈ ±â°èÈ­°ø¹ý °³¹ß·Î ½Ã°øÇ°Áú Çâ»ó¡Û ±¼Âø¸éÀû ÃÖ¼ÒÈ­¿¡ µû¸¥ ÀÛ¾÷ȯ°æ °³¼±°ú ÅëÇàºÒÆí ¹× ¹Î¿ø ÇØ¼Ò¡Û ±Ù°¡ÀÇ Å©±â ¹× ¹«°Ô°¨¼Ò·Î ¿î¹Ý, Ãë±Þ ¹× ½Ã°ø¼º Çâ»ó¡Û ±âÁ¸±Ù°¡¿¡ ºñÇØ °³¹ßµÈ ±Ù°¡ÀÇ ±â°èÀû°­µµ ¿ì¼öÇϹǷΠ½Ã°ø¾ÈÁ¤¼º È®º¸¡Û ¿À°ÅÅ©·¹Àοë È®ÀåÇü ±¼ÂøÀ¯´ÏÆ® °³¹ß·Î ½Å±â¼ú ÇöÀå Àû¿ë¼º Çâ»ó¡Û Áö¼±°ø»çÀÇ Ç¥ÁØ ±â°èÈ­ ½Ã°ø±â¼ú º¸±ÞÀ¸·Î ±â¼úÀÇ ³«Â÷µµ ÇØ¼Ò

2. °æÁ¦Àû ÆÄ±ÞÈ¿°ú¡Û ±â°èÈ­°ø¹ý °³¹ß·Î ÀÎÇÑ °ø»çºñ Àý°¨ ¡Û ºÒ¹ý ºÎ½Ç°ø»ç ¹æÁö·Î °æ»çÀüÁÖ ¹× ±Õ¿­ÀüÁÖ ±³Ã¼ À¯Áöº¸¼öºñ¿ë Àý°¨ ¿¹»ó¡Û Áö¼±ÀÇ ½Ã°øÇ°Áú ¹× ±â°èÀû°­µµ Çâ»óÀ¸·Î ÀÚ¿¬ÀçÇØ ÇÇÇØº¹±¸ºñ¿ë Àý°¨ ¿¹»ó¡Û ±Ù°¡ÀÇ ¼ÒÇü °æ·®È­·Î ¿î¹Ýºñ µî °æºñÀý°¨

<Energy News>
http://www.energy.co.kr

¼­¿ï¸¶Æ÷±¸ ¼º»ê·Î 124, 6Ãþ(¼º»êµ¿,´ö¼ººôµù)
TEL : 02-323-3162~5  |  FAX : 02-322-8386
Á¤±â°£Ç๰µî·Ï¹øÈ£ : ¸¶Æ÷ ¶ó00108  |  Åë½ÅÆÇ¸Å¾÷½Å°í¹øÈ£ : ¸¶Æ÷ Åë½Å Á¦ 1800È£
°³ÀÎÁ¤º¸°ü¸®Ã¥ÀÓÀÚ : °­Ã¢´ë ÆÀÀå (02-322-1201)

COPYRIGHT 2013 JEONWOO PUBLISHING Corp. All Rights Reserved.
Family Site
³×À̹ö Æ÷½º
ȸ»ç¼Ò°³  |  ¸Åü¼Ò°³  |  Á¤±â±¸µ¶¼¾ÅÍ  |  »ç¾÷Á¦ÈÞ  |  °³ÀÎÁ¤º¸Ãë±Þ¹æÄ§  |  ÀÌ¿ë¾à°ü  |  À̸ÞÀÏÁÖ¼Ò ¹«´Ü¼öÁý °ÅºÎ  |  ³×À̹ö Æ÷½ºÆ®  |  ¨Ï Àü¿ì¹®È­»ç