¼öÀü¿ë PAS°¡ ¹öư Á¶ÀÛ ½Ã SOGÀÇ Ç¥½Ã´Â º¯ÇßÁö¸¸ °³Æó±â´Â µ¿ÀÛÇÏÁö ¾Ê´Â ÀÌ»ó Çö»óÀÌ ¹ß»ýÇß´Ù. ±× ¿øÀÎÀº PAS°¡ ±³Ã¼µÇ±â Àü Äܵ§¼ÀÇ ºÒ·®»ç°í°¡ ¹ß»ýÇØ ÆÄ±Þ»ç°í¿¡ À̸¥°ÍÀÌ´Ù. ¶ÇÁ¶±â¿¡Àú¾ÐÀüµ¿±â°¡¸ØÃç Ç÷£Æ® Àüü°¡ ¿îÀüÀ» Á¤ÁöÇÑ °æ¿ì°¡ ÀÖ¾úÀ¸¸ç ¾î¶²Ç÷£Æ®´Â °Ç¼³°ø»ç ¿Ï·áÁ÷ÈÄ À¯´ÖÀåÂø¿¡ ½ÅÁßÀ» ±âÇÏÁö¾Ê¾Æ ÄÁÆ®·Ñ ¼¾ÅÍ¿¡ »ç°í°¡ ³ ÀûÀÌ ÀÖ¾ú´Ù. Äܵ§¼ ºÒ·® ÆÄ±Þ »ç°í, Àü·Â¿ë Ç»Áî ¿ë´Ü¿¡ µû¸¥ Àü¿ø °á»ó »ç°í, ÄÁÆ®·Ñ¼¾ÅÍÀÇ »ç·Ê¸¦ ÅëÇØ Àü±â¼³ºñÀÇ »ç°í ¹× ¿øÀÎÀ» »ìÆìº¸°í, ¾Æ¿ï·¯ °ú°Å ¹ß»ýÇÑ ¶È°°Àº »ç°í°¡ Àç¹ßÇÏ´Â ¾Ç¼øÈ¯À» °ÞÁö¾Êµµ·Ï ±× ¹æÁö´ëÃ¥À» Á¦½ÃÇÑ´Ù.
¿©·¯ ÇüÅÂÀÇ Àü±â¼³ºñ »ç°í°¡ ÇØ¸¶´Ù ¹ß»ýÇÏÁö¸¸ ±× °¡¿îµ¥ ´«¿¡ ¶ç´Â °ÍÀº °°Àº »ç°í°¡ ¹Ýº¹ÀûÀ¸·Î ¹ß»ýÇÑ´Ù´Â °ÍÀÌ´Ù. »ç°íÀÇ ¹è°æ¿¡´Â Á¦°¢°¢ ³ª¸§´ë·Î ¹ß»ý ÀÌÀ¯°¡ ´Ù¸£°ÚÁö¸¸, ¹Ýº¹ÀûÀ¸·Î ÀÚÁÖ ¹ß»ýÇÏ´Â »ç°í¿¡´Â ºñ±³Àû À¯»çÇÑ ¿øÀÎÀÌ µµ»ç¸®°í ÀÖ´Â °æ¿ì°¡ ¸¹´Ù. ±×¸®°í »ç¿ëÀÚµéÀº °°Àº Á¾·ùÀÇ »ç°í¸¦ ¹Ýº¹Çؼ °Þ°í ½ÍÁö´Â ¾ÊÀ» °ÍÀÌ´Ù. ´õ´õ±º´Ù³ª °°Àº ¿øÀÎÀ¸·Î ÀϾ´Â »ç°í´Â.
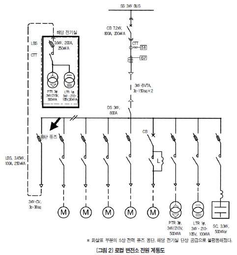
Äܵ§¼ ºÒ·® ÆÄ±Þ »ç°í <±×¸² 1>Àº Àü¿ø °èÅë¿¡ 2010³â Á¤±â Á¡°Ë ½Ã ¹ß»ýÇÑ »ç°í¸¦ ³ªÅ¸³½ °ÍÀÌ´Ù. À̶§ ¼öÀü¿ë PAS°¡ ¹öư Á¶ÀÛ ½Ã SOGÀÇ Ç¥½Ã´Â º¯ÇßÁö¸¸ °³Æó±â´Â µ¿ÀÛÇÏÁö ¾Ê´Â ÀÌ»ó Çö»óÀÌ ¹ß»ýÇß´Ù. ÀÌ ÀÌ»ó Çö»óÀÇ °æ¿ì ¹Ð¾î³»´Â ²öÀ¸·Î Ƚ¼ö °³¹æ ¹× ÅõÀÔ Á¶ÀÛÇÑ ÈÄ¿¡´Â Á¤»óÀûÀ¸·Î µ¿ÀÛÇß´Ù. »ç¾÷ÀÚ¿¡°Ô ÀÌ»ó ³»¿ëÀ» ¼³¸íÇϰí PAS°¡ ¼³Ä¡ ÈÄ ¾à 20³â °æ°úÇßÀ½À» ¾Ë¸®¸ç ±³Ã¼ÇÒ °ÍÀ» ±Ç°íÇß´Ù. PAS°¡ ±³Ã¼µÇ±â Àü Äܵ§¼ÀÇ ºÒ·® »ç°í°¡ ¹ß»ýÇØ ÆÄ±Þ »ç°í¿¡ À̸£°Ô µÈ °æ¿ì¿´´Ù.
»ç°í »óȲ ¹× ÃßÁ¤ ¿øÀÎ ¨ç »ç°í¸¦ ¹ß»ý½ÃŲ Äܵ§¼¿¡ º»Ã¼ÀÇ ÆØÃ¢ ¹× ¼ÒÀÚ ÀϺΠ¼Ò½Ç, ÅºÈ µîÀÌ ¹ß°ßµÆ´Ù. ÀÌ·± »óȲ°ú ¼³Ä¡ ÈÄ ¾à 20³â °æ°úÇß´Ù´Â ÀÌÀ¯¿¡¼ À̹ø »ç°í´Â Äܵ§¼ÀÇ ³ëȰ¡ ¿øÀÎÀ̾ú´ø °ÍÀ¸·Î ÃßÁ¤Çß´Ù. ¨è Äܵ§¼ °³Æó¿ë LBS´Â PFÀÇ Ç»Áî ¸µÅ©°¡ °ú¿¡¤ÆÄ¿µÇ¾î Àý¿¬ºÎ°¡ ¼Ò½Ç, źȵÊÀ¸·Î½á Áö¶ô ¹× ´Ü¶ô¿¡ À̸£·¶´Ù°í ÃßÁ¤Çß´Ù. ¨é ¼öÀü¿ë LBSÀÇ PF¿¡µµ ÀÌ»ó Àü·ù°¡ Èê·¶Áö¸¸ PF´Â ¿ë´ÜµÇÁö ¾Ê¾Ò´Ù. ¨ê PASÀÇ SOG Ç¥½Ã´Â º¯ÇßÁö¸¸ PAS °³Æó±â´Â µ¿ÀÛÇÏÁö ¾Ê¾Ò´Ù. ¨ë PAS ³»ºÎ ±â±¸ÀÇ À±È° ¼º´É ºÒ·®¿¡ µû¸¥ °³Æó ºÒ·®ÀÌ ÀÌ·ïÁ® ÆÄ±Þ »ç°í¿¡ À̸£°Ô µÆ´Ù°í ÃßÁ¤Çß´Ù.
»ç°í ÈÄ ´ëÃ¥ ¨ç PAS¸¦ VT, LA ³»ÀåǰÀ¸·Î ±³Ã¼Çß´Ù. ¨è LBS¿ë Ç»Áî´Â ÇÑ·ù Ç»Áî·Î ±³Ã¼Çß´Ù. ¨é ±× ¿Ü ³ëÈµÈ ºÎǰÀ» ±³È¯Çß´Ù.
Àç¹ß ¹æÁö ´ëÃ¥ ¨ç ³ëÈÄ ±â±âÀÇ °èȹÀû ±³Ã¼ | Á¦Á¶¾÷ü ¶Ç´Â °¢ °ü·Ã±â±â¿¡ °øÇ¥µÅ ÀÖ´Â ±³Ã¼ ±Ç°í ½Ã±â¸¦ Âü°íÇØ °èȹÀûÀ¸·Î ±³Ã¼Çϵµ·Ï ÇÑ´Ù. <Ç¥ 1>¿¡ ÀϺ» Àü±â°ø¾÷ȸÀÇ ±³Ã¼ ±Ç°í ½Ã±â¸¦ ³ªÅ¸³Â´Ù. ±³Ã¼ ±Ç°í ½Ã±â´Â ÀϺ» Àü±â°ø¾÷ȸ ¿Ü¿¡µµ °¢Á¾ ±â°ü¿¡¼ Á¦¾ÈÇϰí ÀÖÀ¸¹Ç·Î ±³Ã¼ ½Ã±â´Â ±â°ü¸¶´Ù Á¶±Ý¾¿ ´Ù¸£´Ù. µû¶ó¼ ±³Ã¼ ½Ã±â¿¡ ´ëÇØ¼´Â °¢ÀÚ ½º½º·Î ¸ÅÀÏ ±â·ÏÇØ Á¤¸®ÇØ µÑ Çʿ䰡 ÀÖ´Ù. ¨è ±³Ã¼ ¿¹»êÀÇ È¹µæ | ³ëÈÄ ±â±âÀÇ ±³Ã¼´Â ¸¹Àº ºñ¿ëÀ» µé¿©¾ß ÇÏ´Â °æ¿ì°¡ ¸¹À¸¹Ç·Î, »çÀü¿¡ »ç¾÷ÀÚ ¶Ç´Â »ç³» °ü·Ã ºÎ¼ÀÇ µ¿ÀǸ¦ ±¸ÇÒ Çʿ䰡 ÀÖ´Ù. ±×·¯³ª µ¿ÀǸ¦ ¾ò´Â °ÍÀº ½±Áö ¾ÊÀ¸¹Ç·Î ±â±â ³ëÈÄÈÀÇ Çö»ó°ú ±³Ã¼ÇÏÁö ¾ÊÀ» °æ¿ìÀÇ ¸®½ºÅ© µîÀ» »êÁ¤ÇØ °ü°èÀÚÀÇ ¸¶À½À» µ¹¸± ¼ö ÀÖµµ·Ï ÇÏ´Â °ÍÀÌ Áß¿äÇÏ´Ù.
¨é º¸¼ö À¯Áö ¹æ¹ýÀÇ Àç°ËÅä | Áö±Ý±îÁö Àü·Â¿ë Äܵ§¼ Á¡°Ë ½Ã¿¡´Â º»Ã¼ÀÇ ¿Âµµ ¹× ÆØÃ¢ Á¤µµ¸¦ Á¡°ËÇØ ¿Ô´Ù. ±×·¯³ª ³ëÈ »óŸ¦ Á¶±â °ËÃâÇÏ´Â µ¥´Â °¢ »óÀÇ Àü·ù ºÒÆòµî °èÃøÀÌ È¿°úÀûÀÌÁö ¾Ê´Ù°í ÆÇ´ÜÇØ Á¤±âÀûÀ¸·Î Àü·ù¸¦ °èÃøÇÏ°Ô µÆ´Ù. °í¾Ð Äܵ§¼´Â ¡â°á¼± ¶Ç´Â Y °á¼±À¸·Î °áÇյŠÀÖ°í ¶Ç ´Ù¸¥ »óÀº º¹¼öÀÇ ¼ÒÀÚ·Î ±¸¼ºµÅ ÀÖ´Ù. Äܵ§¼ °íÀå ½Ã¿¡´Â ¸ðµç ¼ÒÀÚ°¡ µ¿½Ã¿¡ ³ëȵǴ ÀÏÀº °ÅÀÇ ¾ø°í, ÀϹÝÀûÀ¸·Î ¾àÇÑ ¼ÒÀÚ°¡ °íÀåÀÌ ³ ÈÄ ±× ÁÖº¯ÀÇ ¼ÒÀÚ±îÁö Â÷·ÊÂ÷·Ê·Î ³ëÈÇÑ´Ù. À̶§ °¢ »óÀÇ Àü·ù º¯È´Â <Ç¥ 2>¿Í°°´Ù. ¿©±â¼ °¢ »óÀÇ Àü·ù º¯È¸¦ Á¤±âÀûÀ¸·Î °èÃøÇÏ¸é º¸´Ù ºü¸¥ ½Ã±â¿¡ Áï, Äܵ§¼°¡ ÆÄ¿ ȤÀº º¯ÇüÇϱâ Àü¿¡ ÀÌ»ó Çö»óÀ» °ËÃâÇÒ ¼ö ÀÖÀ» °ÍÀ¸·Î ÆÇ´ÜµÈ´Ù.
Àü·Â Ç»Áî ¿ë´Ü¿¡ µû¸¥ Àü¿ø °á»ó »ç°í Á¶±â¿¡ Àú¾Ð Àüµ¿±â°¡ ¸ØÃç Ç÷£Æ® Àüü°¡ ¿îÀüÀ» Á¤ÁöÇß´Ù. À̶§ °í¾Ð ¼öÀü¹ÝÀÇ Àü¾ÐÀÌ 'RS : 2680V, ST : 2400V, TR : 3080, °¢ »óÀÇ Àü·ù°¡50A, 0A, 50A'·Î ºÒÆòµîÇÑ »óȲÀ̾ú´Ù. »ç°í ¹ß»ýÇÑ ÇØ´ç Àü±â½ÇÀº <±×¸² 2>¿Í °°ÀÌ ·ÎÄà º¯Àü¼Òº¸´Ù ¾à 100m ¶³¾îÁø À§Ä¡¿¡ ÀÖ¾úÀ¸¸ç, ±× ÈÄ Á¶»ç¿¡¼ ·ÎÄà º¯Àü¼Ò ¼ÛÃâ¹ÝÀÇ Àü·Â Ç»Áî(3.45§Ç, 100A, 250§ÈA)ÀÇ S»óÀÌ ¿ë´ÜµÅ ÀÖÀ½ÀÌ ¹àÇôÁ³´Ù.
»ç°í »óȲ ¹× ÃßÁ¤ ¿øÀÎ ¨ç ±â±âÀÇ ¿Ü°ü Á¡°Ë, ÄÉÀÌºí¡¤±â±âÀÇ Àý¿¬ ÀúÇ× ÃøÁ¤(¸ðµÎ 2000§Û ÀÌ»ó) µîÀ¸·Î´Â ºÒ·® °³¼Ò°¡ ÆÇ¸íµÇÁö¾Ê¾Ò´Ù.
¨è Àü·Â Ç»ÁîÀÇ ³»ºÎ´Â ¾Ù¸®¸àÆ®ÀÇ Áß°£Á¡ ºÎ±ÙÀÌ °ú¿ ¿ë´ÜµÆ´Ù. <±×¸² 3>¿¡ Àü·Â Ç»Áî ¿ë´Ü ¿øÀÎ À̹ÌÁö¸¦ ³ªÅ¸³Â´Ù. ¿ë´Ü Çö»óÀ¸·Î ÆÇ´ÜÇϸé, ºÎÇÏ Ãø ¾î¶² °ÍÀÌ ¿øÀÎÀÌ µÇ¾î °ú´ë Àü·ù·Î ¿ë´ÜµÈ °æ¿ìÀÎ °ÍÀ¸·Î ÃßÁ¤µÈ´Ù. ¨é ·ÎÄà º¯Àü¼Ò ¼ÛÃâ¹Ý Àü·Â Ç»Áî´Â ¼³Ä¡ ÈÄ ¾à 8³â¹Û¿¡ °æ°úÇÏÁö ¾Ê¾Æ ³ëÈÄ ³ëȰ¡ ¿øÀÎÀ̶ó°í´Â ÆÇ´ÜÇÏ±â ¾î·Æ´Ù. ¨ê ¿ë´ÜµÈ ·ÎÄà º¯Àü¼Ò ¼ÛÃâ¹Ý Àü·Â Ç»Áî ¿ë·®Àº 250§ÇA·Î, ÇØ´ç Àü±â½ÇÀÇ º¯¾Ð±â ¿ë·®(300+30)§ÇA¿¡ ´ëÇØ ºÎÁ·ÇÔÀ» È®ÀÎÇÒ ¼ö ÀÖ¾ú´Ù.
»ç°í ÈÄ ´ëÃ¥ ·ÎÄà º¯Àü¼Ò ¼ÛÃâ¹Ý ³» Àü·Â Ç»Áî 3°³¸¦ ÇÑ·ù Ç»Áî·Î ±³Ã¼Çß´Ù.
Àç¹ß ¹æÁö ´ëÃ¥ ¨ç ±â¼³(·ÎÄà º¯Àü¼Ò) ¿ë·®ÀÌ ÀÛÀº ¿¹ºñ ÇÇ´õ¸¦ »ç¿ëÇϵµ·Ï ÇÑ Æ¯¼ö »çÁ¤ÀÌ ÀÖ´Â °æ¿ì¿¡´Â ¼³ºñ °Ç¼³ ½ÃÀǰèȹ ³»¿ëÀ» °Ç¼³ ±â·ÏÀ¸·Î ³²±âµµ·Ï ÇÑ´Ù. ¨è ºÎÇÏ ¿ë·®ÀÌ Áõ°¡µÇµµ·Ï ÇÑ °æ¿ì¿¡´Â ¼öÀüÁ¡ÀÇ Â÷´Ü±â ¿ë·®»Ó ¾Æ´Ï¶ó Àü¿ø °èÅë Àüü¿¡ ´ëÇÑ Ã»»çÁøÀÌ ÇÊ¿äÇß´Ù - º» »ç·ÊÀÇ °æ¿ì ´çÃÊ¿¡´Â ÇØ´ç Àü±â½ÇÀÇ ºÎÇϰ¡ ÀÛ¾Æ ¹®Á¦°¡ ¾øÀ» °ÍÀ¸·Î ÆÇ´ÜµÆ´Ù. ±×·¯³ª ±× ÈÄ ºÎÇϰ¡ Áõ°¡ÇÑ °æ¿ì¿¡ ¿ë·®ÀÇ Àç°ËÅä°¡ ºÒÃæºÐÇß´ø °ÍÀ¸·Î ÆÇ´ÜµÈ´Ù
Àü·Â Ç»Áî ¿î¿ë»ó ÁÖÀÇ»çÇ×
Àü·Â Ç»ÁîÀÇ Æ¯Â¡ ¨ç Àü·ÂÇ»Áî´Â Ç»Áî¾Ù¸®¸àÆ®¿¡ ÀÏÁ¤ÀÌ»óÀÇ Àü·ù°¡ ÀÏÁ¤½Ã°£ ÀÌ»ó Èê·¶À» ¶§ Ç»Áî ¾Ù¸®¸àÆ®°¡ ÁÙ ¿·Î ¿ë´ÜÇØ Àü±âȸ·Î¸¦ º¸È£ÇÏ´Â ÀåÄ¡·Î, °í¾Ð¼ö º¯Àü¼³ºñÀÇ º¸È£¿¡´Â ÁÖ·Î ÇÑ·ùÇ»Áî°¡ »ç¿ëµÈ´Ù. ¨è Áø°ø Â÷´Ü±â µîÀº Â÷´Ü ½Ã°£ÀÌ 3¼Å¬ ¹× 5¼Å¬ÀÎ µ¥ ¹ÝÇØ, ÇÑ·ù Ç»Áî´Â ¹Ý ¼Å¬ À̳»¿¡¼ Â÷´ÜµÇ±â¿¡ »ç°í Àü·ù°¡ ÄÉÀÌºí ¹× Àü±â±â±â¿¡ È帣´Â ½Ã°£ÀÌ »ó´çÈ÷ ª¾ÆÁ®(Áø°ø Â÷´Ü±âÀÇ 1/6~1/10) ±â±âÀÇ ¼Õ»óÀ» ÃÖ¼ÒÇÑÀ¸·Î ¾ïÁ¦ÇÒ ¼ö ÀÖ´Ù. <±×¸² 4>¿¡ ÇÑ·ùÇ»ÁîÀÇ Â÷´Ü µ¿ÀÛÀ» ³ªÅ¸³Â´Ù. ´Ü¶ô »ç°í ¹ß»ý ÈÄ ¹Ý¼Å¬ »çÀÌ Å« ´Ü¶ô Àü·ùµÇ±â Àü¿¡ Â÷´ÜÀÌ ¿Ï·áµÊÀ» ¾Ë ¼ö ÀÖ´Ù. ¨é Àü·Â °èÅëÀÇ ¹éÆÄ¿öÀÇ Á߿伺¿¡ ´ëÇÑ ÀνÄÀº ³ª³¯ÀÌ ´õÇØÁ® ¼öÀü Â÷´Ü±â¿¡ ¿ä±¸µÇ´Â Â÷´Ü ¿ë·®µµ Ä¿Áö´Â Ãß¼¼´Ù. ±×·¯³ª ¼Ò±Ô¸ð ¼³ºñÀÇ °æ¿ì Â÷´Ü ¿ë·®ÀÌ Å« Â÷´Ü±â¸¦ ¼³Ä¡ÇÏ´Â °ÍÀº °æÁ¦ÀûÀ¸·Î ¸ÂÁö ¾ÊÀ¸¹Ç·Î Àú·ÅÇÑ °¡°ÝÀ¸·Î Â÷´Ü ¿ë·®ÀÌ Å« Àü·Â Ç»Á »ç¿ëÇÏ´Â °æÇâÀÌ ÀÖ´Ù. ÀϹÝÀûÀ¸·Î ºÎÇÏ Àü·ù´Â °³Æó±â·Î, »ç°í Àü·ù´Â Àü·Â Ç»Áî·Î Â÷´ÜÇÏ´Â LBS ŸÀÔÀ» ÁÖ·Î »ç¿ëÇÑ´Ù.
 Àü¿ø Ãø Â÷´Ü±â¿ÍÀÇ º¸È£ ÇùÁ¶ Àü·Â Ç»Áî´Â ¶Ù¾î³ ±â´ÉÀÌ ÀÖÁö¸¸, Àü¿ø Ãø Â÷´Ü±â¿ÍÀÇ º¸È£ ÇùÁ¶ Ãø¸é¿¡¼´Â ÁÖÀǰ¡ ¿ä±¸µÈ´Ù. <±×¸² 5>¿Í °°ÀÌ, °èÅëÀÇ '×'Ç¥½Ã ÁöÁ¡¿¡¼ ´Ü¶ô »ç°í°¡ ¹ß»ýÇß´Ù. ÀÌ °èÅëÀº Àü¿ø Ãø¿¡ 200/5AÀÇ CT°¡ ÀÖ¾î OCRÀº ÅÇ 10A, ·¹¹ö 1¿¡¼ Á¤ÀüµÈ ¼ø°£, ½Ã¸®Áî Æ®¸³À¸·Î 2Â÷ º¯Àü½ÇÀÌ ¸ðµÎ Á¤ÀüµÆ´Ù. OCRÀÇ ÅÇÀº 10AÀ̱⠶§¹®¿¡ OCRÀº 400A ÀÌ»óÀ¸·Î µ¿ÀÛÇÏ´Â µ¥ ¹ÝÇØ, Àü·Â Ç»Áî´Â 200AÀ̹ǷΠÀü·Â Ç»Áî ÂÊÀÌ ¸ÕÀú Â÷´ÜµÈ´Ù°í »ý°¢ÇÒ ¼ö ÀÖÁö¸¸ »ç½ÇÀº ±×·¸Áö ¾Ê´Ù. <±×¸² 6>Àº Àü·Â Ç»ÁîÀÇ ¿ë´Ü Ư¼º °î¼±À» ³ªÅ¸³½ °ÍÀÌ´Ù. Àü·Â Ç»Áî´Â ¿ÏÀü ´Ü¶ôÀÇ °æ¿ì Áï´ÜÀÌ °¡´ÉÇÏÁö¸¸ °úÀü·ù ¿µ¿ª, ¿¹¸¦ µé¾î 2000A Á¤µµ¿¡¼´Â 0.2~0.3ÃÊ Á¤µµÀÇ ½Ã°£ÀÌ °É¸²À» ¾Ë ¼ö ÀÖ´Ù.
<±×¸² 7>Àº OCRÀÇ µ¿ÀÛ Æ¯¼º °î¼±À» ³ªÅ¸³½ °ÍÀÌ´Ù. CT 1Â÷ Ãø¿¡ 2000A°¡ È帥 °æ¿ì CT 2Â÷¿¡¼´Â 50A°¡ È帣±â¿¡ ÅÇ 10AÀÇ 5¹è¿¡ ´ÞÇÏ´Â Àü·ù°¡ Èê·¯, ·¹¹ö 1ÀÇ °æ¿ì OCRÀº 0.2~0.3ÃÊ Á¤µµ·Î µ¿ÀÛÇÏ°Ô µÈ´Ù. <±×¸² 8>Àº Ç»Áî¿Í OCRÀÇ µ¿ÀÛÀ» °øÅëÀÇ 'Àü·ù - ½Ã°£'ÁÂÇ¥¿¡ Ç¥½ÃÇÑ °ÍÀÌ´Ù. <±×¸² 8>¿¡¼ 2000AÀÌ»óÀÇ °úºÎÇÏ Àü·ùÀÇ °æ¿ì¿¡´Â Àü·Â Ç»Á´Ù OCR ÂÊÀÌ ºü¸£°Ô µ¿ÀÛÇÔÀ» ¾Ë ¼ö ÀÖ´Ù. À̷νá À̹ø »ç·ÊÀÇ °æ¿ì 2000A ÀÌ»óÀÇ °úÀü·ù ¿µ¿ª¿¡¼ÀÇ ÀÌ»ó Çö»óÀ¸·Î, Àü·Â Ç»Á´Ù OCRÀÌ ¸ÕÀú µ¿ÀÛÇÔÀ» ÃßÁ¤ÇÒ ¼ö ÀÖ´Ù.
Àç¹ß ¹æÁö ´ëÃ¥ ¨ç µ¿ÀÛÇÑ OCR°ú ±× »óÀ§ OCR°úÀÇ º¸È£ ÇùÁ¶¸¦ Áö¼ÓÇÏ¸é¼ µ¿ÀÛÇÑ OCRÀÇ Á¤Á¤ °ªÀ» Àç°ËÅäÇß´Ù. ¨è Ç»Áî¿¡ ÀÇÇÑ °úºÎÇÏ º¸È£¿¡´Â ÇѰ谡 Àֱ⠶§¹®¿¡ 3E ·¹¹ö µî¿¡ ÀÇÇÑ °úºÎÇÏ º¸È£µµ °ËÅäÇÑ´Ù.
±× ¿Ü Ç»Áî Ãë±Þ»ó ÁÖÀÇ ¨ç Àüµ¿±â ºÎÇÏó·³ ½Ãµ¿ Á¤Áö¸¦ ¹Ýº¹ÇÏ·Á´Â °æ¿ì Àå±â°£ »ç¿ëÇϸé Ç»Áî ¾Ù¸®¸àÆ®°¡ ¹Ù½Ï ¸»¶ó ½Ãµ¿ ½Ã ´ëÀü·ù µîÀ¸·Î ¿ë´ÜÇÏ´Â °ÍÀÌ ÀÖ´Ù. ±× ¶§¹®¿¡ ºÎÇÏÀÇ ½Ãµ¿ ºóµµ ¹× ½Ãµ¿ Àü·ù °ª µîÀ» Åä´ë·Î Ç»ÁîÀÇ ±³Ã¼°èȹÀ» ¼¼¿ì°í °èȹÀûÀÎ ±³Ã¼¸¦ ½ÇÇàÇØ¾ß ÇÑ´Ù. ¨è Ç»Áî°¡ ¿ë´ÜÇÑ °æ¿ì ³»ºÎ¸¦ Á¶»çÇØ ³ëÈÀÎÁö °úºÎÇÏÀÎÁö ´Ü¶ôÀÎÁö µîÀ» ³¡±îÁö ÁöÄѺ» ÈÄ ±× ´ÙÀ½¿¡ ´ëóÇÒ Çʿ䰡 ÀÖ´Ù. ¨é ¿ë·® ºÎÇÏ¿¡ Àû¿ëµÇ´Â Ç»Áî´Â Á¦Á¶¾÷ü¿¡ µû¶ó ´Þ¶óÁö¹Ç·Î »çÀü¿¡ ÀÌ¿ë °¡´ÉÇÑ Ç»Á Á¤ÇÏ°í ¿¹ºñǰÀ» ÁغñÇØ µÑ Çʿ䰡 ÀÖ´Ù. ¨ê ¸¸ÀÏ ¿ë´ÜµÈ °æ¿ì¿¡´Â 3»ó µÇÁö ¾Êµµ·Ï Çϰí, ¿¹¸¦ µé¾î 1°³¿¡¼ ¿ë´ÜÇÑ °æ¿ì¿¡µµ 3°³ ¸ðµÎ ±³Ã¼Çϵµ·Ï ÇÑ´Ù. ¨ë ´Ü·Î±â ÇüÅÂÀÇ Àü·Â Ç»Áî Á¶ÀÛÀº ´Ü·Î±âó·³ 'Àü·ù°¡ »ì¾Æ ÀÖ´Â »óÅÂ'°¡ Àý´ë·Î µÇÁö ¾Êµµ·Ï ºÎÇÏ Àü·ù°¡ È帣´Â »óȲ¿¡¼ Á¶ÀÛÇÏÁö ¾Êµµ·Ï ÁÖÀÇÇÑ´Ù. ¨ì °í¾Ð ÇÑ·ù Ç»ÁîÀÇ ¿ë´Ü Ư¼º ¹× ¿Âµµ »ó½Â Çѵµ¸¦ ¾Æ·¡ Ç¥¿¡ ³ªÅ¸³Â´Ù. °úºÎÇÏ ¿µ¿ª¿¡¼´Â ¿ë´Ü±îÁö Àå½Ã°£ °É¸°´Ù´Â »ç½Ç¿¡ ÁÖÀÇÇÒ Çʿ䰡 ÀÖ´Ù.
ÄÁÆ®·Ñ ¼¾ÅÍÀÇ »ç°í »ç·Ê ¾î¶² Ç÷£Æ®ÀÇ °Ç¼³ °ø»ç°¡ ³¡³ª°í ¿µ¾÷ ¿îÀüÀÌ ½ÃÀÛµÈ Á÷ÈÄÀÇ »ç°í¿´´Ù. ³³ÀÔµÈ ±â±âÀÇ Á¦Á¶¾÷ü °Ë»ç¿øÀÌ ÇØ´ç ÄÁÆ®·Ñ ¼¾ÅÍ(ÀÌÇÏ CC) À¯´Ö ³»ºÎÀÇ °á¼± »óȲÀ» È®ÀÎÇϱâ À§ÇØ ¹®À» ÀÚ½ÅÀÇ ¸ö ¾ÕÀ¸·Î 50~60§® ¿©´Â ¼ø°£, ÇØ´ç À¯´Ö ÇϺο¡¼ ¹ß±¤ ¹× ÀÌ»ó À½ÀÌ »ý±â°í °è±â Àü¹ÝÀÇ Áö¶ô °æº¸°¡ ¿ï¸®¸ç MCCB°¡ Æ®¸³Çß´Ù.
 * À§ À̹ÌÁö¸¦ Ŭ¸¯ÇϽøé Å©°Ô º¸½Ç ¼ö ÀÖ½À´Ï´Ù.
»ç°í¿¡ µû¸¥ ¼Õ»ó »óȲ ¨ç À¯´Ö ³» MCCB, ÀüÀÚ °³Æó±â, º¸Á¶ ¸±·¹ÀÌ µîÀÇ ³³ÀÔ ºÎǰ¿¡´Â ÀÌ»ó Çö»ó ¹× ¼Ò¼Õµµ ¾ø¾ú´Ù. ¨è À¯´Ö ¿Ü¸éÀÇ 'ÀÚ¹°¼è ¼ÕÀâÀÌ'°¡ Á¤±Ô »óŰ¡ ¾Æ´Ñ Áßµµ ¹Ý´ÜµÈ À§Ä¡¿¡ ÀÖ¾ú´Ù. ¨é À¯´Ö ¿Ü¸éÀÇ Àü¿ø °ø±Þ¿ë ¼öÁ÷ ¸ð¼±ÀÇ Çϴܺΰ¡ 10§®Á¤µµ ¿ë¼ÕµÅ ÁÖº¯¿¡ ¾ÆÅ© ÈçÀûÀÌ ÀÖ¾ú´Ù. ¨ê µ¿·Â ÄÉÀÌºí ¹× ¸ðÅÍ¿¡µµ ÀÌ»ó Çö»óÀº ¾ø¾ú´Ù.
»ç°íÀÇ ÃßÁ¤ ¿øÀÎ ¨ç °ø»ç ¿Ï·á ½ÃÁ¡¿¡ À¯´ÖÀÌ ¿ÏÀüÈ÷ ÀåÂøµÇÁö ¾Ê¾Ò´Ù. ±× °á°ú, À¯´Ö°ú ¼öÁ÷ ¸ð¼±À» Á¢ÇÕÇÏ´Â Àü¿ø Ŭ¸³ÀÇ ¼öÁ÷ ¸ð¼±¿¡ÀÇ ³³ÀÔÀÌ ÃæºÐÇÏÁö ¾Ê¾Ò´Ù. <±×¸² 9>¿¡ À¯´Ö°ú ¼öÁ÷ ¸ð¼±ÀÇ À§Ä¡ °ü°è¸¦ ³ªÅ¸³Â´Ù. ¨è MCCB¿ë ȯÇü ÇÚµéÀÌ 'OPEN COVER'ÀÇ À§Ä¡¿¡ ÀÖÁö ¾Ê¾Ò±â¿¡ ¹®ÀÇ ÀÎÅÍ·Ï ±â±¸·Î ¸»¹Ì¾Ï¾Æ ¹®ÀÌ 50~60§® ¿¸° À§Ä¡¿¡¼ Àá°å´Ù. ¨é ¹®ÀÌ Àá±ä »óÅ¿¡¼ ¹®À» ¹«¸®ÇÏ°Ô ¿¾î À¯´Ö º»Ã¼°¡¹®°ú ÇÔ²² Àü¸é ÃøÀ¸·Î À̵¿Çϰí, Àü¿ø Ŭ¸³ÀÌ ¼öÁ÷¸ð¼±¿¡¼ ¶³¾îÁ® ³ª°¬À¸¸ç, À̶§ ºÎÇÏ Àü·ù Â÷´Ü¿¡ µû¸¥ ¾ÆÅ©°¡ ¹ß»ýÇß´Ù. ¨ê ¾ÆÅ©´Â Á÷±ÙÀÇ Ã¶ÆÇ(À¯´Ö °Ýº¯ÆÇ)À¸·Î Æ¢¾î Áö¶ôÀ¸·Î ÀÌÇàÇßÀ¸¸ç, ´õ¿íÀÌ ¾ÆÅ© ´Ü¶ôÀÌ ¹ß»ýÇØ ÇØ´ç CC¿ë °è±â Àü¹ÝÀÇ MCCB°¡ Æ®¸³Çß´Ù.
»ç°í ÈÄ ´ëÃ¥ »ç°í´Â CC À¯´ÖÀÌ Á¤»ó À§Ä¡¿¡ ÀåÂøµÅ ÀÖÁö ¾Ê¾Ò±â ¶§¹®¿¡ ¹ß»ýÇß´Ù´Â °¡´É¼ºÀÌ ³ô¾Æ ±× ¿Ü ¸ðµç CC¿¡ ´ëÇØ¼´Â À¯´ÖÀÇ ÀåÂø »óŸ¦ Á¡°ËÇß´Ù.
Àç¹ß ¹æÁö ´ëÃ¥ ¨ç »ç°í ½ÃÀÇ Ã¼Å©¸®½ºÆ®¿¡ À¯´Ö ÀåÂø »óÅ üũ Ç׸ñÀ» Ãß°¡Çß´Ù. ¨è ¿µ¾÷ ¿îÀü Áß ¼³ºñ¿¡¼ ÀÌ»ó Çö»óÀÌ ¹ß»ýÇÑ °æ¿ì¿¡´Â ±× Áï½Ã Á¶ÀÛÀ» ¸ØÃß°í ¿øÀÎ ¹× ¿µÇâÀ» ½ÅÁßÇÏ°Ô Á¶»ç ÈÄ Ã³¸®Çϵµ·Ï ÇÑ´Ù. ¨é ¿µ¾÷ ¿îÀü Áß ¼³ºñ¸¦ °ü°èÀÚ ¿Ü ´Ù¸¥ »ç¶÷ÀÌ ¹«´ÜÀ¸·Î Á¶ÀÛÇÏ´Â °ÍÀ» ¾öÁßÇÏ°Ô ±ÝÇÑ´Ù.
Çѱ¹Àü±â¾ÈÀü°ø»ç¿¡¼ ½Ç½ÃÇÑ '°í¾Ð ÀÌ»ó º¯¾Ð±â º¸È£¿ë Àü·Â Ç»Áî'°ËÅä
ÇÑ·ù Ç»Áî(Current-limiting fuses, °í¾Ð Àü·ù Á¦ÇÑ Ç»Áî)´Â ¼ÒÈ£¿ø¸®»ó Å« °íÀå Àü·ùÀÇ ÇÑ·ù Â÷´ÜÀº ¿ëÀÌÇØµµ ¿ë´Ü ½Ã°£ÀÌ ±ä ÃÖ¼Ò Â÷´Ü Àü·ù ¿µ¿ª¿¡¼´Â Â÷´ÜÇϱ⠾î·Á¿ö ÃÖ¼Ò ¿ë´Ü Àü·ù °¡±îÀÌ¿¡¼´Â ¿ë´ÜÇØµµ Â÷´ÜµÇÁö ¾Ê°í(¿ë´ÜÀº ÇØµµ ¾ÆÅ©°¡ ²÷¾îÁöÁö ¾ÊÀ½) ¾î´À Á¤µµ Àü·ùÄ¡°¡ Å©°Ô µÅ¾ß¸¸ Â÷´ÜÇÒ ¼ö ÀÖ´Â ¿µ¿ªÀÌ ÀÖ´Ù. ÀÌ·± Ư¼ºÀ¸·Î ÇöÀç »ç¿ëÇÏ´Â ´ëºÎºÐÀÇ ÇÑ·ù Ç»Áî´Â ´Ü¶ô º¸È£¿¡´Â ÃÖÀûÀ̳ª °úºÎÇÏ ¿µ¿ª¿¡ ´ëÇÑ º¸È£´Â ÃæºÐÄ¡ ¾Ê´Ù. µû¶ó¼ °úºÎÇÏ ¿µ¿ª¿¡ ´ëÇÑ º¸È£´Â ´Ù¸¥ ±â±â¿Í º¸È£ÇùÁ¶¸¦ ÃëÇÏ´Â °æ¿ì¿¡ °¡´ÉÇÏ´Ù. ÃÖ±Ù ÄÞÆÑÆ®ÇÏ°Ô Á¦À۵ǰí Àִ ťºñŬ ³»ºÎ µî¿¡ º¯¾Ð±â 1Â÷Ãø º¸È£ ÀåÄ¡·Î ÇÑ·ù Ç»Áî°¡ »ç¿ëµÇ°í ÀÖ´Ù. º¯¾Ð±â 1Â÷Ãø¿¡ º¸È£ ÀåÄ¡·Î ÇÑ·ù Ç»Á »ç¿ëÇÒ °æ¿ì °úºÎÇÏ ¿µ¿ª¿¡ ´ëÇÑ º¸È£°¡ ÃæºÐÄ¡ ¾ÊÀ¸¹Ç·Î °úºÎÇÏ ¿µ¿ªÀº ´Ù¸¥ ±â±â·Î º¸È£ÇÒ ¼ö ÀÖ¾î¾ß Çϴµ¥ ¼³°è, °¨¸® ¹× ½Ã°ø ½Ã ÀÌ¿¡ ´ëÇÑ °ËÅä°¡ Á¦´ë·Î ÀÌ·ïÁöÁö ¾Ê´Â ½ÇÁ¤ÀÌ´Ù.
ºñÇÑ·ùÇü Ç»Áî ¶Ç´Â COS Ç»Áî ANSI-C37(1988) ±ÔÁ¤¿¡ ÀǰŠÁ¤°Ý 100A ÀÌÇÏÀÇ Ç»Áî À¯´ÖÀº ¿¬¼Ó Á¤°Ý Àü·ùÀÇ 200∼240% ¹üÀ§ ½Çȿġ Àü·ù¿¡¼ 300ÃÊ À̳»¿¡ ¿ë´ÜµÇ°í, 100A¸¦ ÃʰúÇÏ´Â Ç»Áî À¯´ÖÀº ¿¬¼Ó Á¤°Ý Àü·ùÀÇ 220∼264% ¹üÀ§ ½Çȿġ Àü·ù¿¡¼ 600ÃÊ À̳»¿¡ ¿ë´ÜµÈ´Ù. Ç»Á ¿ë´Ü½Ãų ¼ö ÀÖ´Â Àü·ù·ÎºÎÅÍ Ç»ÁîÀÇ Á¤°Ý Â÷´Ü Àü·ù±îÁöÀÇ ´Ü¶ôÀü·ù¸¦ Â÷´ÜÇÒ ¼ö ÀÖ´Â Â÷´Ü Ư¼ºÀÌ ÀÖ´Ù. µû¶ó¼ º¯¾Ð±â Çã¿ë °úºÎÇÏ ³»·®À» °í·ÁÇØ ÀûÁ¤ÇÑ Á¤°Ý Àü·ùÀÇ Ç»Á ¼±Á¤ÇÏ¸é º¯¾Ð±â °úºÎÇÏ º¸È£ ÀåÄ¡·Î Àû¿ë °¡´ÉÇÏ´Ù.
ÇÑ·ù Ç»Áî ´ëºÎºÐÀÇ ÇÑ·ù Ç»Áî´Â Back-up¿ëÀ¸·Î ÀÏÁ¤Ä¡ ÀÌÇÏ ¼ÒÀü·ù ¹üÀ§¿¡¼´Â ¿ë´ÜµÅµµ Â÷´ÜÇÒ ¼ö ¾ø¾î Á¦Á¶ÀÚÀÇ º¸ÁõÄ¡·Î½á ÃÖ¼Ò Â÷´Ü Àü·ù¸¦ ¸í½ÃÇϵµ·Ï ±ÔÁ¤µÅ ÀÖ´Ù. Ç»Áî´Â ¿µ¿ÀûÀ¸·Î ÀÛ¿ëÇϹǷΠ´ëÀü·ù ¿µ¿ª¿¡¼´Â ¾ÆÁÖ »¡¸® µ¿ÀÛÇØ »êÆ÷µµ ÀÛÀ¸¸ç ¿ì¼öÇÑ ÇÑ·ù ÀÛ¿ë(Â÷´Ü I2t ¹× ÇÑ·ù ÆÄ°íÄ¡°¡ ¾ÆÁÖ ÀÛ´Ù)À» ¹ßÈÖÇÑ´Ù. Ç㳪 ¼ÒÀü·ù ¿µ¿ª¿¡¼± Àå½Ã°£ µ¿ÀÛÇØ Åë°ú Àü·ùÀÇ º¯È¿¡ ´ëÇØ ¿ë´Ü ½Ã°£ÀÇ º¯È°¡ Å©¸ç ±× »êÆ÷µµ Å©°Ô µÅ ½Å·Ú¼ºÀÌ ³·´Ù. µû¶ó¼ ȸ·ÎÀÇ °úºÎÇÏ ¿µ¿ª º¸È£¸¦ À§Çؼ´Â º¯¾Ð±â 1Â÷Ãø¿¡ ÃÖ¼Ò Â÷´Ü Àü·ù ÀÌÇÏÀÇ Ãþ°£ ´Ü¶ôÀ̳ª ¾ÆÅ© Áö¶ô µîÀÇ °íÀå Àü·ù¿¡ ´ëóÇϵµ·Ï ÃÖ¼Ò Â÷´Ü Àü·ù ÀÌÇÏÀÇ Àü·ù ¿µ¿ª º¸È£¸¦ ºÐ´ãÇÏ´Â °úÀü·ù Â÷´Ü ÀåÄ¡¸¦ Á÷·Ä·Î Á¶ÇÕÇØ ÇùÁ¶¸¦ ÃëÇÑ´Ù. ¶Ç Àú¾ÐÃøÀÇ °íÀå¿¡ ´ëÇØ¼´Â MCCB µîÀ¸·Î Â÷´ÜÇØ ÇùÁ¶¸¦ ÃëÇÏ´Â °æ¿ì °úºÎÇÏ ¿µ¿ª º¸È£·Î´Â ÃÖÀûÀÌ´Ù. ±×·¯³ª ¡ã°úºÎÇÏ ¿µ¿ª º¸È£¿¡ ´ëÇÑ ½ÇÈ¿¼º ¡ã°úºÎÇÏ¿¡ µû¸¥ º¯¾Ð±â ¼Ò¼Õ»ç°í ¹ß»ý ºóµµ ¡ãÇÑ·ù Ç»Áî¿Í °úÀü·ù Â÷´Ü ÀåÄ¡¸¦ Á÷·Ä·Î Á¶ÇÕÇÏ´Â °æ¿ìÀÇ °æÁ¦¼º ¡ãº¯¾Ð±â ³»ºÎ °íÀåÀÇ °æ¿ì ´ëºÎºÐ ´Ü¶ô »ç°í·Î ÁøÇàµÇ´Â Á¡ ¡ãº¯¾Ð±â 1Â÷Ãø¿¡ º¸È£ ÀåÄ¡·Î »ç¿ëµÇ´Â Àü·Â Ç»Áî´Â ÀϹÝÀûÀ¸·Î °úºÎÇÏ ¿µ¿ª¿¡ ´ëÇÑ º¸È£º¸´Ù ´Ü¶ô º¸È£¿¡ ÁÖ·Î Àû¿ëµÇ´Â Á¡ µîÀ» °í·ÁÇØ °úºÎÇÏ ¿µ¿ª¿¡ ´ëÇÑ º¸È£´Â º¯¾Ð±â 2Â÷Ãø¿¡ ¼³Ä¡µÈ MCCB µîÀ¸·Î ÇØ°áÇÏ´Â °ÍÀÌ ¹Ù¶÷Á÷ÇÏ´Ù.
º¯¾Ð±â °úºÎÇÏ º¸È£ ÀåÄ¡ Àû¿ë ¹æ¹ý º¯¾Ð±â 1Â÷Ãø¿¡ º¸È£ ÀåÄ¡·Î ºñÇÑ·ùÇü Ç»Áî ¶Ç´Â COS Ç»Á »ç¿ëÇÑ °æ¿ì °úºÎÇÏ ¿µ¿ª º¸È£¸¦ À§ÇØ º¯¾Ð±â 1Â÷ Á¤°Ý Àü·ù¿¡ °¡±î¿î ÃÖ¼Ò Á¤°Ý Àü·ùÀÇ Ç»Á ¼±Á¤ÇÑ °æ¿ì¿¡´Â º¯¾Ð±â °úºÎÇÏ º¸È£ ÀåÄ¡·Î Àû¿ë °¡´ÉÇÏ´Ù. º¯¾Ð±â 1Â÷ Á¤°Ý Àü·ù¿¡ ºñÇØ °ú´ë Á¤°Ý Àü·ùÀÇ ºñÇÑ·ùÇü Ç»Áî ¶Ç´Â COS Ç»Á »ç¿ëÇϰųª ÇÑ·ù Ç»Á »ç¿ëÇÑ °æ¿ì °úºÎÇÏ ¿µ¿ªÀÇ º¸È£°¡ ÃæºÐÄ¡ ¾Ê´Ù. µû¶ó¼ º¯¾Ð±â 2Â÷Ãø MCCB µîÀÇ Á¤°ÝÀÌ º¯¾Ð±â 2Â÷ Á¤°Ý Àü·ù¿¡ °¡±î¿î Á¤°Ý Àü·ùÀÇ ÁÖÂ÷´Ü±â¸¦ ½Ã¼³ÇØ Àü·Â Ç»Áî¿Í º¸È£ÇùÁ¶¸¦ ÃëÇÏ´Â °æ¿ì¿¡´Â °úºÎÇÏ ¿µ¿ª¿¡ ´ëÇÑ º¸È£°¡ °¡´ÉÇÑ °ÍÀ¸·Î Àû¿ëÇÑ´Ù.
¡Ø ÀÚ·á : Çѱ¹Àü±â¾ÈÀü°ø»ç
<Energy News>
http://www.energy.co.kr
|